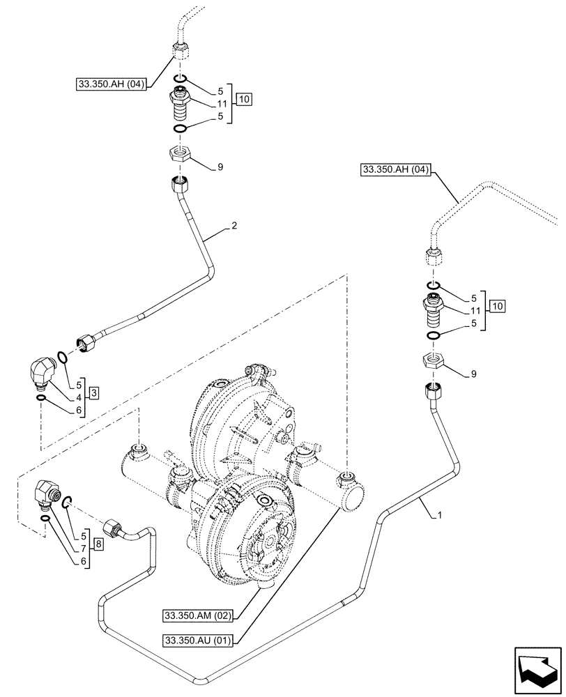
Запчасти Case IH PUMA 200 CVT (33.350.AT[04]) - VAR - 337479, 337480 - ANTILOCK BRAKING SYSTEM (ABS), REAR, BRAKE LINE (33) - BRAKES & CONTROLS

Схема запчастей Case IH PUMA 200 CVT - (33.350.AT[04]) - VAR - 337479, 337480 - ANTILOCK BRAKING SYSTEM (ABS), REAR, BRAKE LINE (33) - BRAKES & CONTROLS
33.350.ah (04)
5
10
5
1
3
6
8
11
2
6
5
11
7
5
9
9
33.350.au (01)
5
5
10
4
33.350.am (02)
33.350.ah (04)
FIT
1:1
100%

Артикул

Название

Примечание

Количество

1

84577489

TUBE

LH, Rear Brake

1шт.

2

84577490

TUBE

RH, Rear Brake

1шт.

3

84427440

90 ELBOW,M12 x 1.5 x 35.5mm L

ASSY, Incl 4, 5 (Qty 1), 6 (Qty 1)

1шт.

4

NSS

NOT SOLD SEPARAT

Elbow, Incl in 3

1шт.

5

9993141

O-RING,0.07" Thk x 0.364" ID, -12, Cl 6, 90 Duro

6шт.

6

86598098

O-RING,2.2mm Thk x 9.3mm ID, Cl 6, 90 Duro

2шт.

7

NSS

NOT SOLD SEPARAT

Elbow, Incl in 8

1шт.

8

84427439

90 ELBOW

ASSY, Incl 5 (Qty 1), 6 (Qty 1), 7

1шт.

9

87010704

BHD LOCK NUT,11/16"-16

2шт.

10

86978770

UNION,11/16"-6, ORFS

ASSY, Incl 5 (Qty 2), 11

2шт.

11

NSS

NOT SOLD SEPARAT

Connector, Incl in 10

2шт.

Выбрано товаров: 11