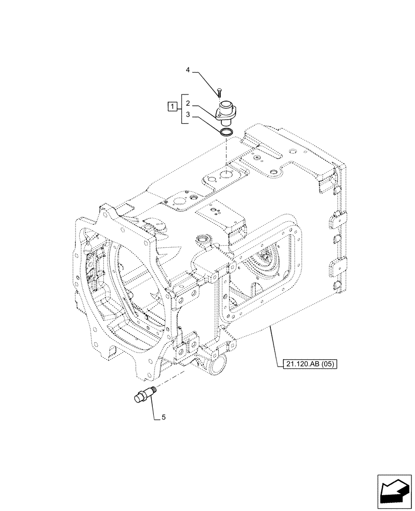
Запчасти Case IH PUMA 200 CVT (55.020.AB[01]) - VAR - 337427, 337433, 391138, 758022, 758870, 759053 - TRANSMISSION, SENSOR (55) - ELECTRICAL SYSTEMS

Схема запчастей Case IH PUMA 200 CVT - (55.020.AB[01]) - VAR - 337427, 337433, 391138, 758022, 758870, 759053 - TRANSMISSION, SENSOR (55) - ELECTRICAL SYSTEMS
21.120.ab (05)
5
2
4
1
3
FIT
1:1
100%

Артикул

Название

Примечание

Количество

1

84340074

SENSOR

Angle Position Transmission, ASSY, Incl 2, 3

1шт.

2

NSS

NOT SOLD SEPARAT

Sensor, Incl in 1

1шт.

3

84126835

O-RING,1.3mm Thk x 9.5mm ID, 70 Duro

1шт.

4

14303821

HEX SOC SCREW,M6 x 60mm, Cl 8.8

3шт.

5

84407733

PRESSURE SWITCH

Transmission

1шт.

Выбрано товаров: 0