Запчасти Case IH PUMA 200 CVT (55.020.AB[10]) - VAR - 337426, 336428, 337429, 337430, 337431, 337432, 332335, 391137, 758017, 758018, 759019, 758021, 758868, 758869, 758870, 759052, 759053 - TRANSMISSION, SPEED SENSOR (55) - ELECTRICAL SYSTEMS

Схема запчастей Case IH PUMA 200 CVT - (55.020.AB[10]) - VAR - 337426, 336428, 337429, 337430, 337431, 337432, 332335, 391137, 758017, 758018, 759019, 758021, 758868, 758869, 758870, 759052, 759053 - TRANSMISSION, SPEED SENSOR (55) - ELECTRICAL SYSTEMS
21.120.ab (03)
4
1
2
1
4
3
3
2
55.024.aa (01)
55.024.aa (01)
FIT
1:1
100%

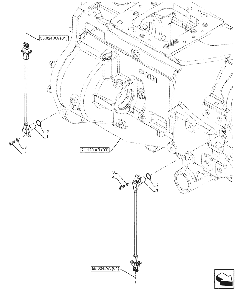
Артикул

Название

Примечание

Количество

1

87564761

SENSOR

2шт.

2

47136259

O-RING,3mm Thk x 17.2mm ID, 72 Duro

2шт.

3

12605379

LOCK WASHER

2шт.

4

14305224

HEX SOC SCREW,M6 x 16mm, Cl 8.8, Full Thd

2шт.

Выбрано товаров: 4