Запчасти Case IH PUMA 200 CVT (55.023.AB[01]) - VAR - 337427, 337433, 391138, 758022 - CLUTCH, PEDAL, SENSOR (55) - ELECTRICAL SYSTEMS

Схема запчастей Case IH PUMA 200 CVT - (55.023.AB[01]) - VAR - 337427, 337433, 391138, 758022 - CLUTCH, PEDAL, SENSOR (55) - ELECTRICAL SYSTEMS
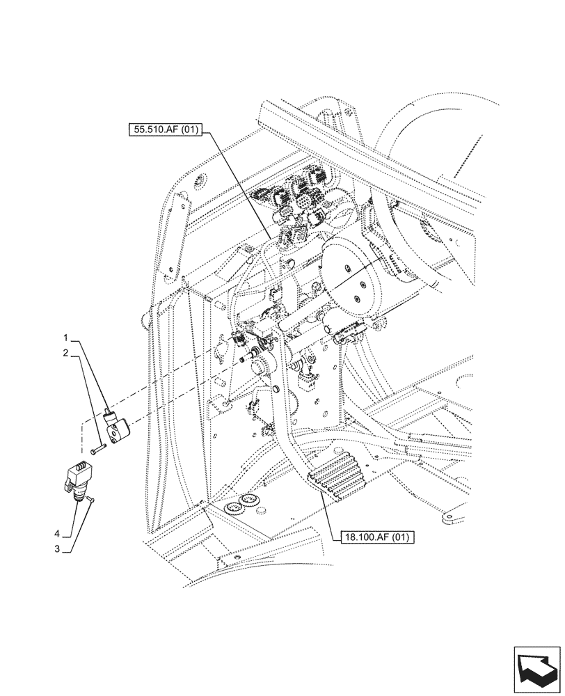
55.510.af (01)
1
4
3
2
18.100.af (01)
FIT
1:1
100%

Артикул

Название

Примечание

Количество

1

87605245

POTENTIOMETER,4000 Ohm, 13.5 VDC

1шт.

2

83963569

CAPTIVE WASHER SCREW,Pan Hd, M4 x 12mm, Cl 4.8

2шт.

3

84224890

BOLT,Hex, M5 x 30mm, Cl 8.8

M5 x 30

2шт.

4

82026949

PUSH BUTTON SWITCH

Clutch Pedal

1шт.

Выбрано товаров: 4