Запчасти Case IH PUMA 200 CVT (55.202.AC) - GRID HEATER, RELAY, HARNESS (55) - ELECTRICAL SYSTEMS

Схема запчастей Case IH PUMA 200 CVT - (55.202.AC) - GRID HEATER, RELAY, HARNESS (55) - ELECTRICAL SYSTEMS
55.301.aa (01)
3
2
1
5
6
4
4
10.501.ad (01)
10.001.ad
FIT
1:1
100%

Артикул

Название

Примечание

Количество

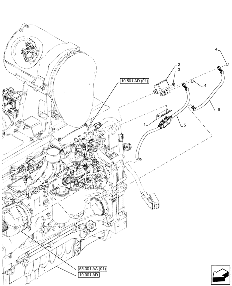
1

47674258

BRACKET

Black

1шт.

2

82022813

RELAY,12V, High Current

Grid Heather

1шт.

3

14059211

FLANGE NUT,M6 x 1, Flg, Cl 8

2шт.

4

87533425

COVER,M6

2шт.

5

47679307

WIRE HARNESS

Grid Heather Relay

1шт.

6

47578740

WIRE HARNESS

Grid Heather Power

1шт.

Выбрано товаров: 0