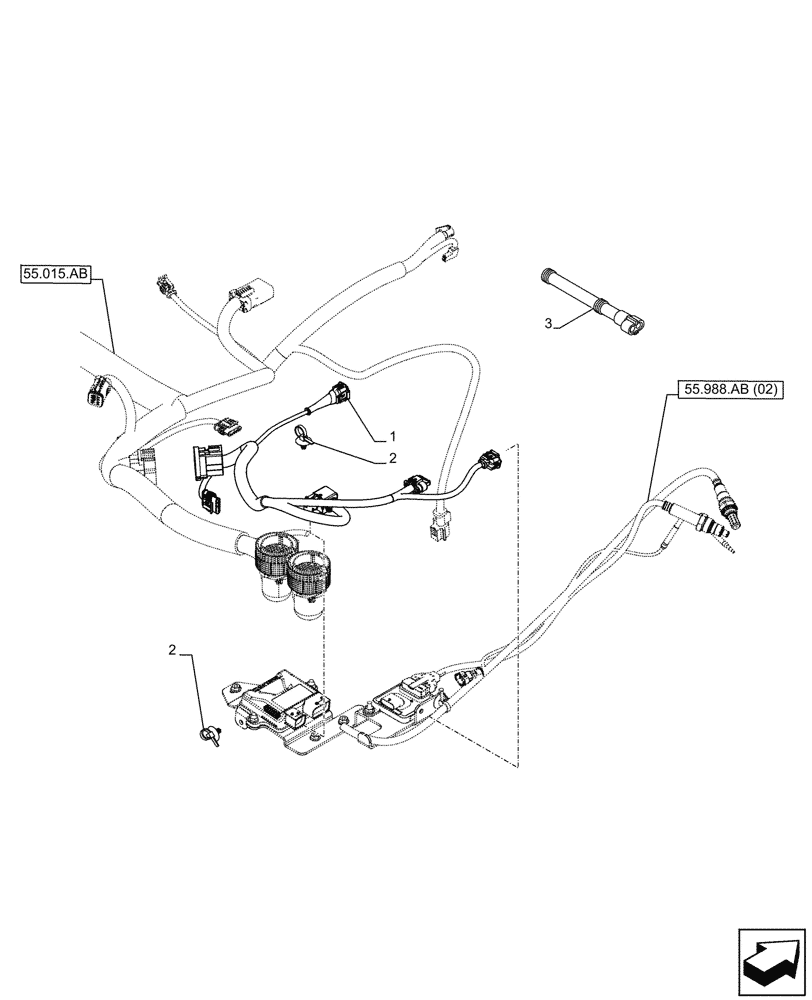
Запчасти Case IH PUMA 200 CVT (55.988.AD[02]) - VAR - 391130, 758000 - DEF/ADBLUE, HARNESS, RH (55) - ELECTRICAL SYSTEMS

Схема запчастей Case IH PUMA 200 CVT - (55.988.AD[02]) - VAR - 391130, 758000 - DEF/ADBLUE, HARNESS, RH (55) - ELECTRICAL SYSTEMS
55.015.ab
1
2
3
2
55.988.ab (02)
FIT
1:1
100%

Артикул

Название

Примечание

Количество

1

47684238

WIRE HARNESS

Denox, RH Side

1шт.

2

82033028

CABLE TIE,170mm L

2шт.

3

87345428

TERMINAL CONNECTOR,120Ohm/0.5W, 42 Pins

CAN BUS Terminator

1шт.

Выбрано товаров: 3