Запчасти Case IH PUMA 200 CVT (90.108.AC[04]) - VAR - 758088, 758089, 758090, 758092 - 3 POINT HITCH, DECALS (90) - PLATFORM, CAB, BODYWORK AND DECALS

Схема запчастей Case IH PUMA 200 CVT - (90.108.AC[04]) - VAR - 758088, 758089, 758090, 758092 - 3 POINT HITCH, DECALS (90) - PLATFORM, CAB, BODYWORK AND DECALS
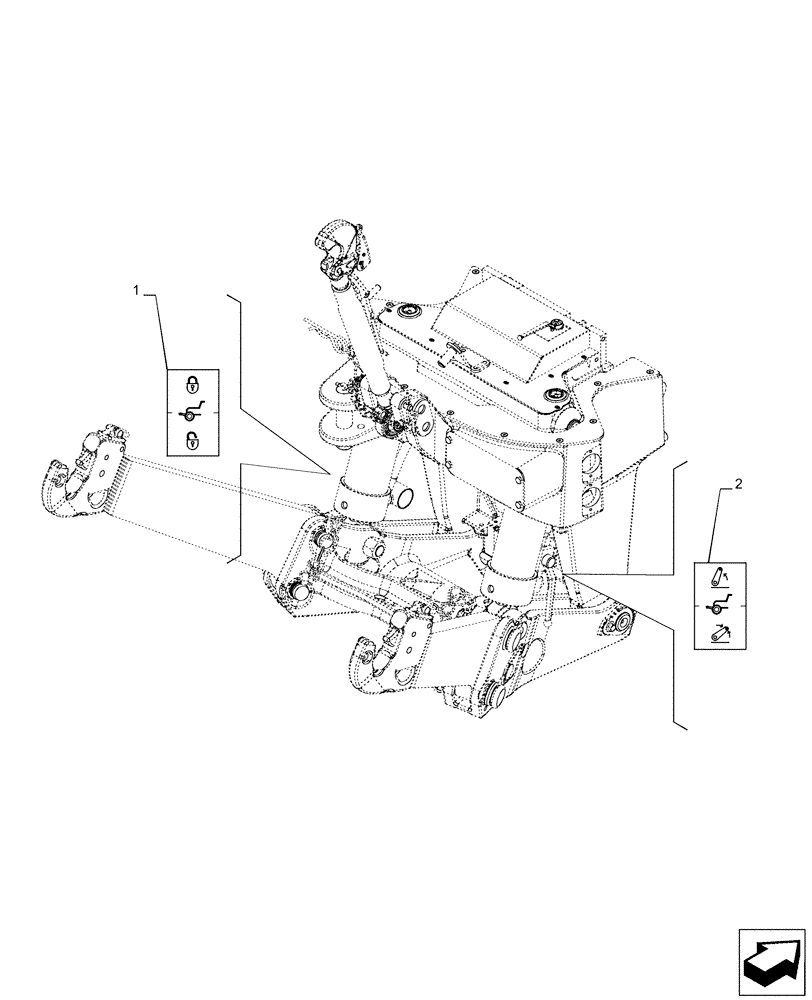
1
2
FIT
1:1
100%

Артикул

Название

Примечание

Количество

1

84381875

DECAL

Hitch Shut Off Valve, ISO

1шт.

1

84546238

DECAL

Hitch Shut Off Valve, NA

1шт.

2

84546246

DECAL

Hitch Pilot Valve, NA

1шт.

2

84381876

DECAL

Hitch Pilot Valve, ISO

1шт.

Выбрано товаров: 4