Запчасти Case IH PUMA 200 CVT (33.220.AM[06]) - VAR - 337482, 337491 - HYDRAULIC AND PNEUMATIC TRAILER BRAKE, BRAKE VALVE, ITALY, W/O ANTILOCK BRAKING SYSTEM (ABS) (33) - BRAKES & CONTROLS

Схема запчастей Case IH PUMA 200 CVT - (33.220.AM[06]) - VAR - 337482, 337491 - HYDRAULIC AND PNEUMATIC TRAILER BRAKE, BRAKE VALVE, ITALY, W/O ANTILOCK BRAKING SYSTEM (ABS) (33) - BRAKES & CONTROLS
33.202.ap (02)
6
3
17
1
7
20
9
16
11
16
4
14
15
18
5
12
8
2
10
21
18
6
13
19
33.202.ap (09)
6
33.100.az (01)
21.118.af (05)
35.100.az (01)
FIT
1:1
100%

Артикул

Название

Примечание

Количество

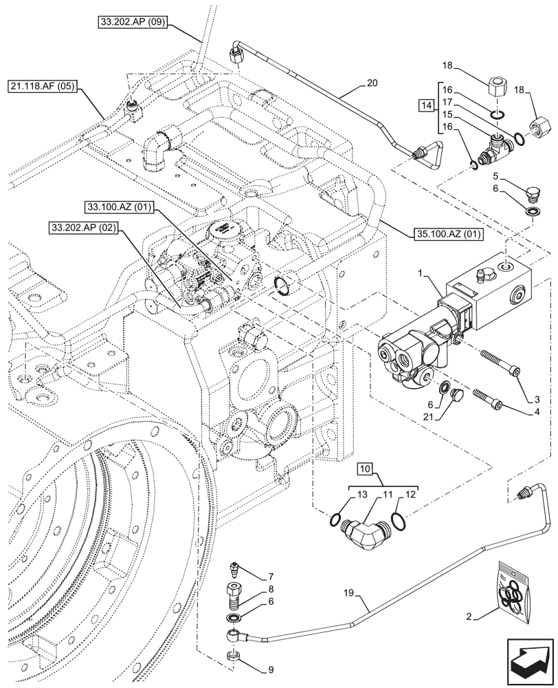
1

47582731

BRAKE VALVE

1шт.

2

47583845

SEAL KIT

1шт.

3

14308921

HEX SOC SCREW,M8 x 60mm, Cl 8.8

2шт.

4

14306721

HEX SOC SCREW,M8 x 48mm, Cl 8.8

1шт.

5

47131496

PLUG,Hex, M12 x 1

1шт.

6

5183780

SEALING WASHER,9.73mm ID x 18mm OD x 1.5mm Thk

3шт.

7

5153030

BLEED SCREW,Bleeder, Hex, M8 x 1.25 x 25mm

1шт.

8

5155679

BLEEDER VALVE,M12 x 1.25 x 27mm

1шт.

9

5155678

GASKET,12.2mm ID x 17mm OD x 5mm Thk

1шт.

10

5185562

ELBOW

ASSY, Incl 11 - 13

1шт.

11

NSS

NOT SOLD SEPARAT

Elbow, Incl in 10

1шт.

12

5185512

O-RING,0.07" Thk x 0.614" ID, -16, Cl 6, 90 Duro

1шт.

13

14437985

O-RING,15.3mm ID x 2.4mm

1шт.

14

87521154

HYD CONNECTOR,M12 x 1, ORB 11/16"-16 ORFS

ASSY, Incl 15 - 17

1шт.

15

NSS

NOT SOLD SEPARAT

Tee, Incl in 14

1шт.

16

82019391

SEAL,9.8mm ID x 14.4mm OD x 1mm Thk

2шт.

17

5185510

O-RING,1.78mm Thk x 9.25mm ID, 85 Duro

1шт.

18

9625546

CAP,11/16" - 16 ORFS

2шт.

19

47479600

TUBE

RH, Trailer Brake Valve

1шт.

20

47479602

TUBE

LH, Trailer Brake Valve

1шт.

21

10300511

PLUG,M12 x 1.5 x 12, Cl5.8

1шт.

Выбрано товаров: 21