Запчасти Case IH PUMA 200 CVT (33.350.AH[02]) - VAR - 337479, 337480 - ANTILOCK BRAKING SYSTEM (ABS), LINE (33) - BRAKES & CONTROLS

Схема запчастей Case IH PUMA 200 CVT - (33.350.AH[02]) - VAR - 337479, 337480 - ANTILOCK BRAKING SYSTEM (ABS), LINE (33) - BRAKES & CONTROLS
33.350.ak (01)
8
15
12
6
6
10
13
11
19
20
2
6
22
17
14
9
22
8
17
1
7
21
11
17
9
18
22
8
7
12
7
16
6
7
12
9
8
3
12
4
9
13
5
33.350.ah (01)
33.350.am (02)
33.350.am (02)
55.350.af (01)
FIT
1:1
100%

Артикул

Название

Примечание

Количество

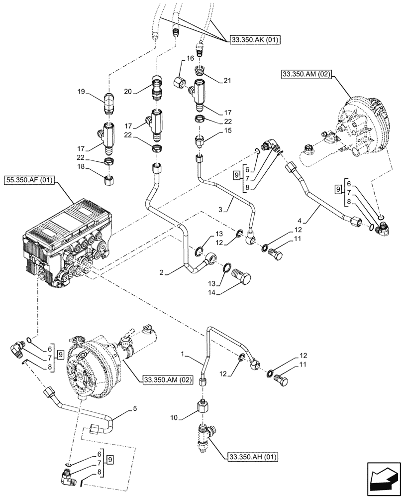
1

47553712

BRAKE LINE

Air EBM

1шт.

2

47454458

BRAKE LINE

Air EBM

1шт.

3

47454366

BRAKE LINE

Air EBM

1шт.

4

84413395

TUBE

from EBM to Actuator

1шт.

5

84413401

TUBE

from EBM to Converter

1шт.

6

86598100

O-RING,2.2mm Thk x 13.3mm ID, Cl 6, 90 Duro

4шт.

7

NSS

NOT SOLD SEPARAT

Elbow, Incl in 9

4шт.

8

9991976

O-RING,0.07" Thk x 0.739" ID, -18, Cl 6, 90 Duro

4шт.

9

84553346

HYD CONNECTOR,M16 x 1.5

ASSY, Incl 6 - 8

4шт.

10

84427815

FITTING

1шт.

11

10184411

BANJO BOLT,M16 x 1.5 x 31mm, R50

2шт.

12

5167639

SEALING WASHER,13.4mm ID x 24mm OD x 1.5mm Thk

4шт.

13

5165897

SEALING WASHER,22.7mm ID x 30mm OD x 2mm Thk

2шт.

14

84474995

BANJO BOLT,M22 x 1.5

1шт.

15

84427817

FITTING

1шт.

16

129200

CAP,7/8" - 14 JIC

1шт.

17

47368281

TEE

3шт.

18

262159

CAP,3/4" - 16 Fem JIC

1шт.

19

47386295

90 ELBOW

1шт.

20

47386559

90 ELBOW,M22 x 1.5 x 44mm

1шт.

21

82034157

ADAPTER

1шт.

22

524036

BHD LOCK NUT,Blkhd, 3/4"-16

3шт.

Выбрано товаров: 0