Запчасти Case IH PUMA 200 CVT (41.200.AA[04]) - VAR - 337435, 337467, 337468, 337469, 391231, 758270, 758271, 758272, 758273 - STEERING VALVE, LINE, CVT (41) - STEERING

Схема запчастей Case IH PUMA 200 CVT - (41.200.AA[04]) - VAR - 337435, 337467, 337468, 337469, 391231, 758270, 758271, 758272, 758273 - STEERING VALVE, LINE, CVT (41) - STEERING
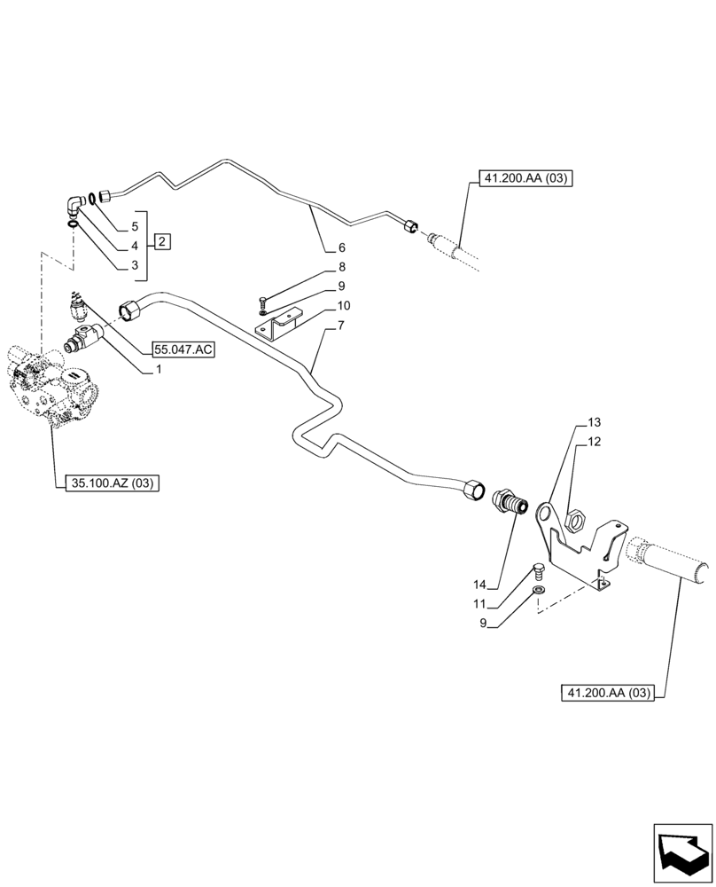
13
10
9
1
3
5
14
41.200.aa (03)
9
2
35.100.az (03)
4
41.200.aa (03)
6
8
7
11
12
55.047.ac
FIT
1:1
100%

Артикул

Название

Примечание

Количество

1

87575165

HYD CONNECTOR,1"-14 x M8 x 1.5

1шт.

2

84431522

ELBOW,90 Degree, 9/16"-18 ORFS x M12 x 1.5 ORB

ASSY, Incl 3 - 5

1шт.

3

9825770

O-RING,0.07" Thk x 0.301" ID, -11, Cl 6, 90 Duro

1шт.

4

NSS

NOT SOLD SEPARAT

Connector, Incl in 2

1шт.

5

86598098

O-RING,2.2mm Thk x 9.3mm ID, Cl 6, 90 Duro

1шт.

6

87718490

HYD TUBE

LS Steering

1шт.

7

47604313

HYD TUBE

Supply to Steering Valve

1шт.

8

86508568

BOLT,Hex, M6 x 1 x 16mm, Cl 8.8

2шт.

9

86588450

WASHER,6.6mm ID x 12mm OD x 1.6mm Thk

4шт.

10

87608302

BRACKET

1шт.

11

86977726

BOLT,Hex, M6 x 12mm, Cl 8.8

2шт.

12

86639085

BHD LOCK NUT,1"-14, Bulkhead

1шт.

13

47604311

BRACKET

1шт.

14

86978771

UNION,16mm L

16mm

1шт.

Выбрано товаров: 14