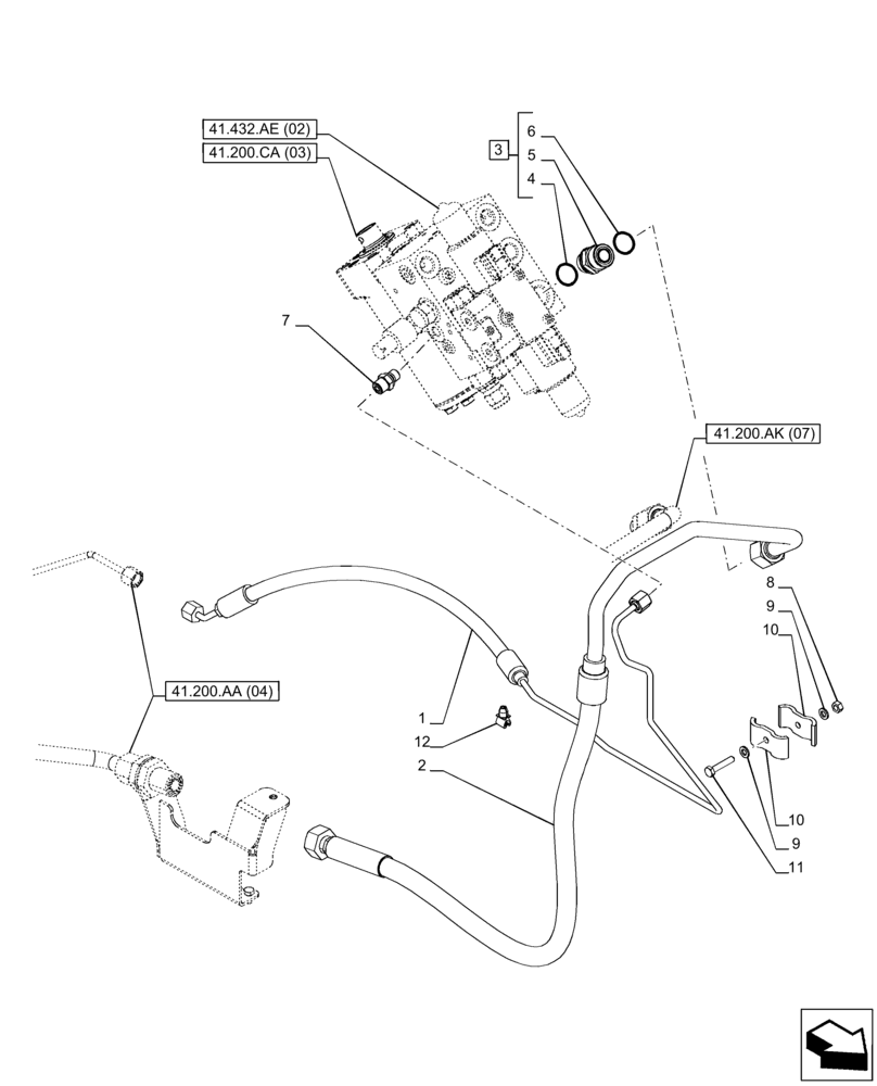
Запчасти Case IH PUMA 200 CVT (41.200.AA[08]) - VAR - 758268, 758269, 758272, 758273, 758276, 758277 - STEERING VALVE, LINE, AUTOGUIDANCE SYSTEM, CVT (41) - STEERING

Схема запчастей Case IH PUMA 200 CVT - (41.200.AA[08]) - VAR - 758268, 758269, 758272, 758273, 758276, 758277 - STEERING VALVE, LINE, AUTOGUIDANCE SYSTEM, CVT (41) - STEERING
4
41.200.ak (07)
10
10
3
2
9
12
1
41.200.ca (03)
6
9
11
7
41.432.ae (02)
5
8
41.200.aa (04)
FIT
1:1
100%

Артикул

Название

Примечание

Количество

1

47498478

PIPE

LS Steering Autoguidance

1шт.

2

47458561

HYDRAULIC HOSE

Supply to Steering Valve

1шт.

3

82016498

HYD CONNECTOR,M22 x 1.5 DIN, 1" - 14 ORFS

ASSY, Incl 4 - 6

1шт.

4

83901443

O-RING,0.07" Thk x 0.614" ID, -16, Cl 6, 90 Duro

1шт.

5

NSS

NOT SOLD SEPARAT

Connector, Incl in 3

1шт.

6

82016732

SEAL,19.6mm ID x 24.3mm OD x 1.5mm Thk

1шт.

7

76076087

FITTING,M12 x 1.5 ORB x 9/16"-18 ORFS

1шт.

8

9706755

NUT,M6, Cl 8

1шт.

9

86588450

WASHER,6.6mm ID x 12mm OD x 1.6mm Thk

2шт.

10

5180153

BRACKET

1шт.

11

10902924

SCREW,Hex, M6 x 32mm, Cl 8.8

1шт.

12

87710266

CLIP,6mm

1шт.

Выбрано товаров: 12