Запчасти Case IH PUMA 200 CVT (41.216.AV[02A]) - VAR - 337435, 337467, 391231, 758270 - STEERING CYLINDER HYD. LINE, CVT - BEGIN YR 17-APR-2014 (41) - STEERING

Схема запчастей Case IH PUMA 200 CVT - (41.216.AV[02A]) - VAR - 337435, 337467, 391231, 758270 - STEERING CYLINDER HYD. LINE, CVT - BEGIN YR 17-APR-2014 (41) - STEERING
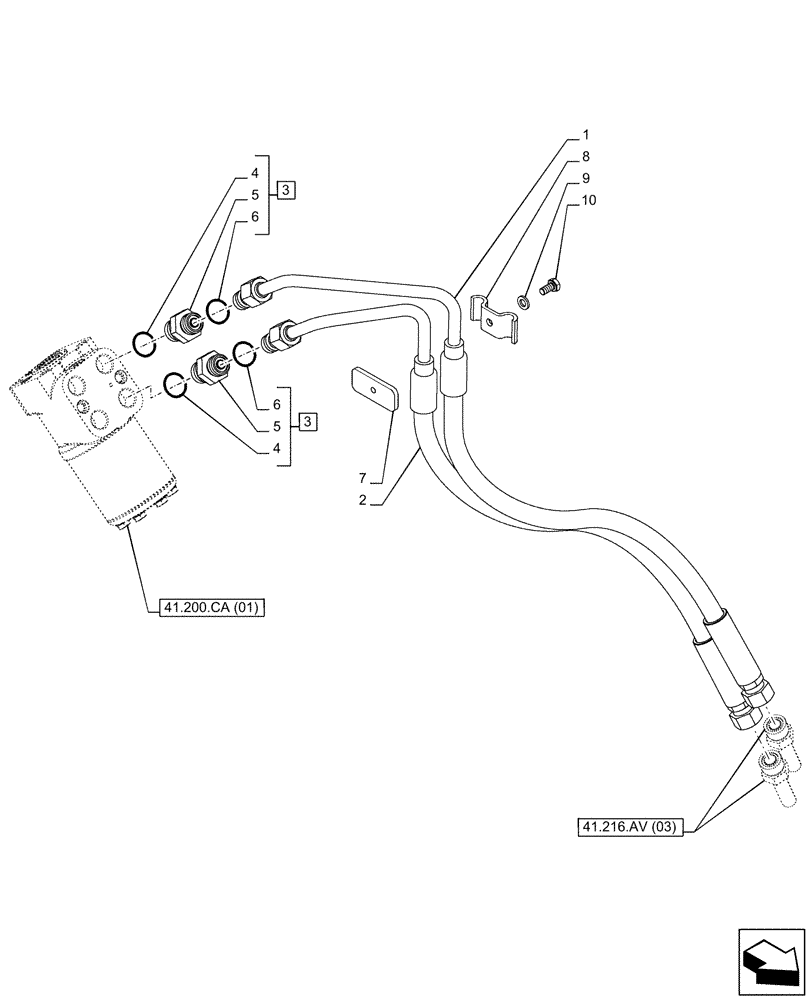
41.216.av (03)
4
5
2
5
6
8
3
1
9
6
7
3
4
10
41.200.ca (01)
FIT
1:1
100%

Артикул

Название

Примечание

Количество

1

47673781

PIPE

Steering to Axle

1шт.

2

47673777

PIPE

Steering to Axle

1шт.

3

82016499

HYD CONNECTOR,11/16"-16 x M18 x 1.5

ASSY, Incl 4 - 6

2шт.

4

81844851

O-RING,0.07" Thk x 0.364" ID, -12, Cl 6, 90 Duro

1шт.

5

NSS

NOT SOLD SEPARAT

Connector, Incl in 3

1шт.

6

83999938

SEAL,15.7mm ID x 20.9mm OD x 1.5mm Thk

1шт.

7

84591886

PLATE

1шт.

8

4999554

CLAMP,2 Hoses

Cylinder Pipes

1шт.

9

86588450

WASHER,6.6mm ID x 12mm OD x 1.6mm Thk

1шт.

10

86977726

BOLT,Hex, M6 x 12mm, Cl 8.8

1шт.

Выбрано товаров: 10