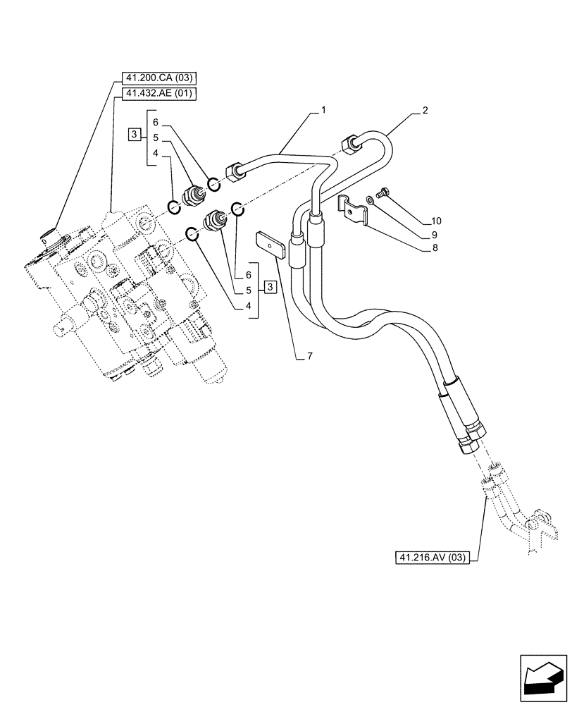
Запчасти Case IH PUMA 200 CVT (41.216.AV[11A]) - VAR - 337468, 337469 - STEERING CYLINDER HYD. LINE, AUTOGUIDANCE SYSTEM, CVT (41) - STEERING

Схема запчастей Case IH PUMA 200 CVT - (41.216.AV[11A]) - VAR - 337468, 337469 - STEERING CYLINDER HYD. LINE, AUTOGUIDANCE SYSTEM, CVT (41) - STEERING
41.432.ae (01)
3
8
7
1
6
4
2
9
4
5
10
5
6
3
41.200.ca (03)
41.216.av (03)
FIT
1:1
100%

Артикул

Название

Примечание

Количество

1

47659731

PIPE

To Axle

1шт.

2

47659773

PIPE

To Axle

1шт.

3

82016499

HYD CONNECTOR,11/16"-16 x M18 x 1.5

ASSY, Incl 4 - 6

2шт.

4

81844851

O-RING,0.07" Thk x 0.364" ID, -12, Cl 6, 90 Duro

1шт.

5

NSS

NOT SOLD SEPARAT

Connector, Incl in 3

1шт.

6

83999938

SEAL,15.7mm ID x 20.9mm OD x 1.5mm Thk

1шт.

7

84591886

PLATE

1шт.

8

4999554

CLAMP,2 Hoses

1шт.

9

86588450

WASHER,6.6mm ID x 12mm OD x 1.6mm Thk

1шт.

10

86977726

BOLT,Hex, M6 x 12mm, Cl 8.8

1шт.

Выбрано товаров: 10