Запчасти Case IH PUMA 220 CVT (55.988.AD[01]) - VAR - 391130, 758000 - DEF/ADBLUE, HARNESS, LH (55) - ELECTRICAL SYSTEMS

Схема запчастей Case IH PUMA 220 CVT - (55.988.AD[01]) - VAR - 391130, 758000 - DEF/ADBLUE, HARNESS, LH (55) - ELECTRICAL SYSTEMS
10.500.aa
10.500.ar
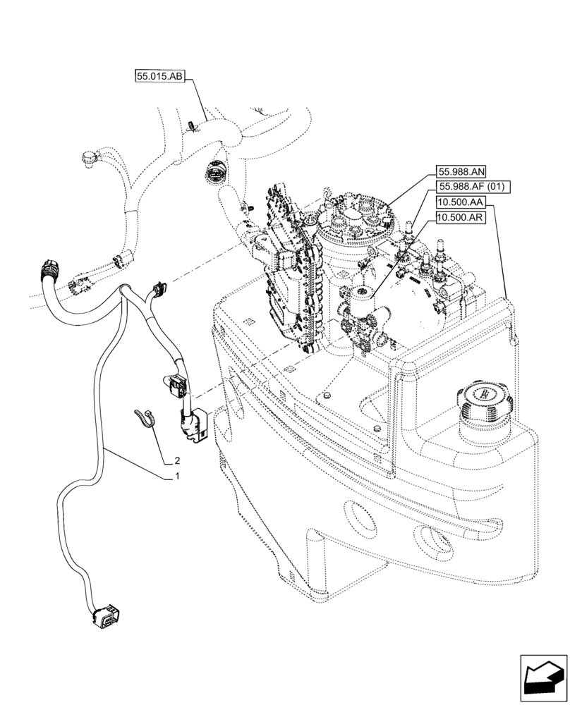
1
2
55.015.ab
55.988.af (01)
55.988.an
FIT
1:1
100%

Артикул

Название

Примечание

Количество

1

47579332

WIRE HARNESS

Denox, LH Side

1шт.

2

14560287

CABLE TIE,207.00mm L

277 x 4.75

1шт.

Выбрано товаров: 2