Запчасти Case IH PUMA 220 CVT (35.100.BA[01]) - VAR - 391168 - LESS MID MOUNTED VALVES - PRIORITY VALVE, LINE (35) - HYDRAULIC SYSTEMS

Схема запчастей Case IH PUMA 220 CVT - (35.100.BA[01]) - VAR - 391168 - LESS MID MOUNTED VALVES - PRIORITY VALVE, LINE (35) - HYDRAULIC SYSTEMS
35.100.az (03)
35.100.az (02)
35.100.az (01)
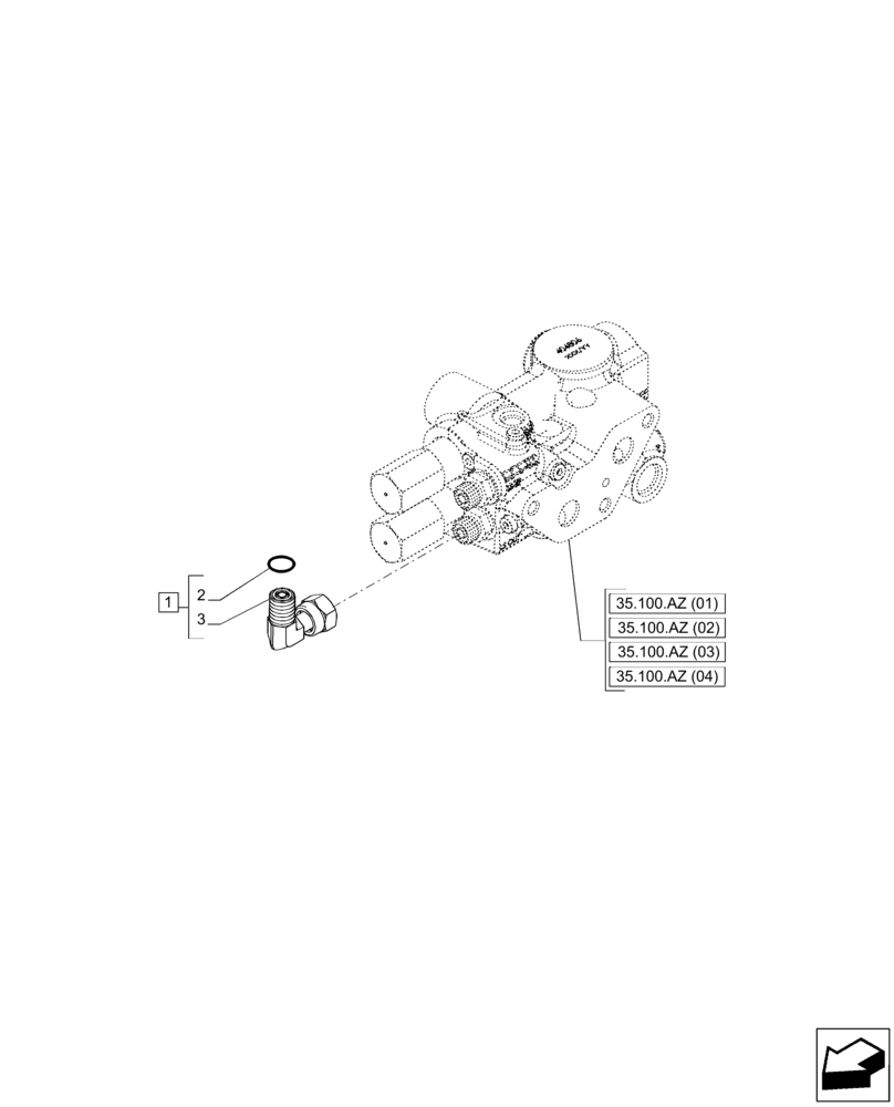
3
35.100.az (04)
1
2
FIT
1:1
100%

Артикул

Название

Примечание

Количество

1

84354806

HYD CONNECTOR,9/16"-18 ORFS x 9/16"-18

ASSY, Incl 2, 3

1шт.

2

81844850

O-RING,0.07" Thk x 0.301" ID, -11, Cl 6, 90 Duro

1шт.

3

NSS

NOT SOLD SEPARAT

Elbow, Incl in 1

1шт.

Выбрано товаров: 3