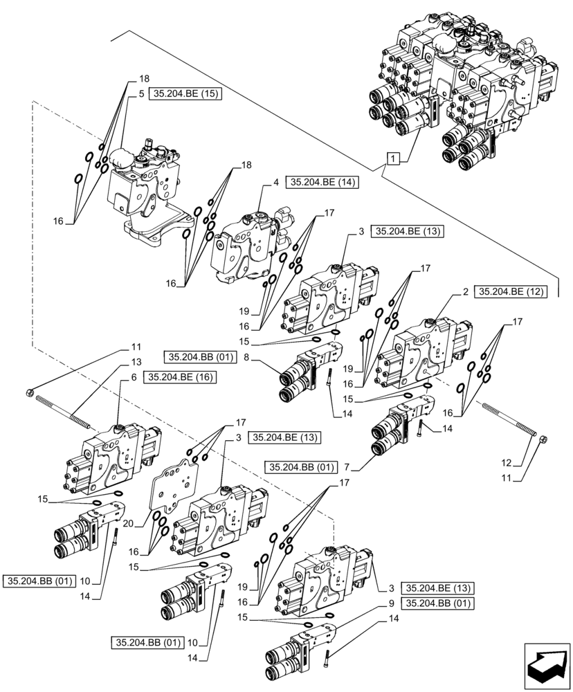
Запчасти Case IH PUMA 220 CVT (35.204.BQ[10]) - VAR - 758061 - 5 REMOTE CONTROL VALVE (EHR), COMPONENTS (35) - HYDRAULIC SYSTEMS

Схема запчастей Case IH PUMA 220 CVT - (35.204.BQ[10]) - VAR - 758061 - 5 REMOTE CONTROL VALVE (EHR), COMPONENTS (35) - HYDRAULIC SYSTEMS
35.204.be (13)
11
6
8
16
16
13
3
7
35.204.be (15)
4
14
18
35.204.be (14)
10
35.204.be (16)
1
35.204.bb (01)
16
16
35.204.bb (01)
19
16
9
15
15
3
14
2
15
17
35.204.bb (01)
16
15
35.204.be (13)
3
17
16
17
20
17
18
15
35.204.be (13)
14
35.204.be (12)
11
14
19
35.204.bb (01)
15
19
17
12
5
10
35.204.bb (01)
14
FIT
1:1
100%

Артикул

Название

Примечание

Количество

1

47594439

CONTROL VALVE

ASSY, Incl 2 - 20

1шт.

2

47594401

HYDRAULIC VALVE

RH, Low

1шт.

3

47594399

HYDRAULIC VALVE

Main Low

3шт.

4

47434177

HYD VALVE SECTION

Hitch

1шт.

4

47434177R

REMAN-HYD VALVE

Reman For New P/N 47434177, Hitch

1шт.

4

47434177C

CORE-VALVE HYD

Return Part Number

1шт.

5

87555868

MANIFOLD VALVE

Inlet, Outlet

1шт.

6

47434175

HYD VALVE SECTION

LH, Low

1шт.

7

87381981

HYDRAULIC MANIFOLD

1 EHR

1шт.

8

87381982

HYDRAULIC MANIFOLD

2 EHR

1шт.

9

87381983

HYDRAULIC MANIFOLD

3 EHR

1шт.

10

87596458

HYDRAULIC MANIFOLD

1шт.

11

829-1312

NUT,M12 x 1.75, Cl 10

6шт.

12

84268953

STUD,M12 x 1.75 x 205mm L

M12 x 205

3шт.

13

87604618

STUD,M12 x 1.75 x 185mm

3шт.

14

864-6045

HEX SOC SCREW,M6 x 45mm, Cl 8.8

20шт.

15

87635381

O-RING,2.62mm Thk x 15.54mm ID, -114, 80 Duro

10шт.

16

87635382

O-RING,2.62mm Thk x 20.29mm ID, -117, 80 Duro

19шт.

17

87635379

O-RING,2.62mm Thk x 9.19mm ID, -110, 80 Duro

12шт.

18

87635380

O-RING,2.62mm Thk x 12.37mm ID, -112, 80 Duro

6шт.

19

87635376

O-RING,2.62mm Thk x 3.63mm ID, -105, 80 Duro

3шт.

20

84539946

PLATE

1шт.

Выбрано товаров: 22