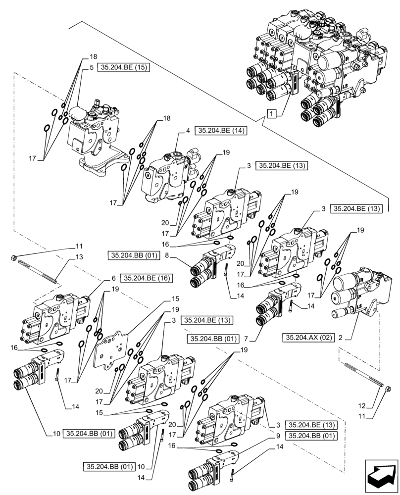
Запчасти Case IH PUMA 220 CVT (35.204.BQ[12]) - VAR - 758061 - 5 REMOTE CONTROL VALVE (EHR W/PB), COMPONENTS (35) - HYDRAULIC SYSTEMS

Схема запчастей Case IH PUMA 220 CVT - (35.204.BQ[12]) - VAR - 758061 - 5 REMOTE CONTROL VALVE (EHR W/PB), COMPONENTS (35) - HYDRAULIC SYSTEMS
9
19
11
35.204.ax (02)
17
17
35.204.be (13)
16
35.204.be (13)
19
15
3
8
17
7
17
35.204.bb (01)
14
15
10
35.204.be (16)
1
35.204.bb (01)
14
35.204.be (13)
20
3
20
13
5
35.204.bb (01)
14
2
16
19
3
16
17
3
18
17
12
20
6
17
35.204.bb (01)
35.204.bb (01)
19
35.204.be (13)
14
20
16
11
35.204.be (14)
17
10
18
35.204.be (15)
19
4
19
14
FIT
1:1
100%

Артикул

Название

Примечание

Количество

1

47594448

CONTROL VALVE

With Power Beyond , ASSY, Incl 2 - 20

1шт.

2

87607904

HYD VALVE SECTION

1шт.

3

47594399

HYDRAULIC VALVE

Main Low

4шт.

4

47434177

HYD VALVE SECTION

Hitch

1шт.

4

47434177R

REMAN-HYD VALVE

Reman For New P/N 47434177, Hitch

1шт.

4

47434177C

CORE-VALVE HYD

Return Part Number

1шт.

5

87555868

MANIFOLD VALVE

Inlet, Outlet

1шт.

6

47594400

HYDRAULIC VALVE

LH, Low

1шт.

7

87381981

HYDRAULIC MANIFOLD

1 EHR

1шт.

8

87381982

HYDRAULIC MANIFOLD

2 EHR

1шт.

9

87381983

HYDRAULIC MANIFOLD

3 EHR

1шт.

10

87596458

HYDRAULIC MANIFOLD

2шт.

11

829-1312

NUT,M12 x 1.75, Cl 10

6шт.

12

87604617

STUD,M12 x 1.75 x 235mm L

M12 x 235

3шт.

13

87604618

STUD,M12 x 1.75 x 185mm

3шт.

14

864-6045

HEX SOC SCREW,M6 x 45mm, Cl 8.8

20шт.

15

84539946

PLATE

1шт.

16

87635381

O-RING,2.62mm Thk x 15.54mm ID, -114, 80 Duro

10шт.

17

87635382

O-RING,2.62mm Thk x 20.29mm ID, -117, 80 Duro

25шт.

18

87635380

O-RING,2.62mm Thk x 12.37mm ID, -112, 80 Duro

6шт.

19

87635379

O-RING,2.62mm Thk x 9.19mm ID, -110, 80 Duro

18шт.

20

87635376

O-RING,2.62mm Thk x 3.63mm ID, -105, 80 Duro

4шт.

Выбрано товаров: 22