Запчасти Case IH PUMA 220 CVT (27.120.AI[04]) - VAR - 337417, 337418, 337419, 337420, 337421, 337422, 337423, 337424, 337425 - REAR AXLE, FINAL DRIVE, AXLE HOUSING, W/ ANTILOCK BRAKING SYSTEM (ABS) (27) - REAR AXLE SYSTEM

Схема запчастей Case IH PUMA 220 CVT - (27.120.AI[04]) - VAR - 337417, 337418, 337419, 337420, 337421, 337422, 337423, 337424, 337425 - REAR AXLE, FINAL DRIVE, AXLE HOUSING, W/ ANTILOCK BRAKING SYSTEM (ABS) (27) - REAR AXLE SYSTEM
55.350.aa
7
10
4
2
5
8
7
11
10
8
5
9
1
9
1
6
3
6
11
7
6
4
21.118.af (04)
21.118.af (09)
55.350.aa
FIT
1:1
100%

Артикул

Название

Примечание

Количество

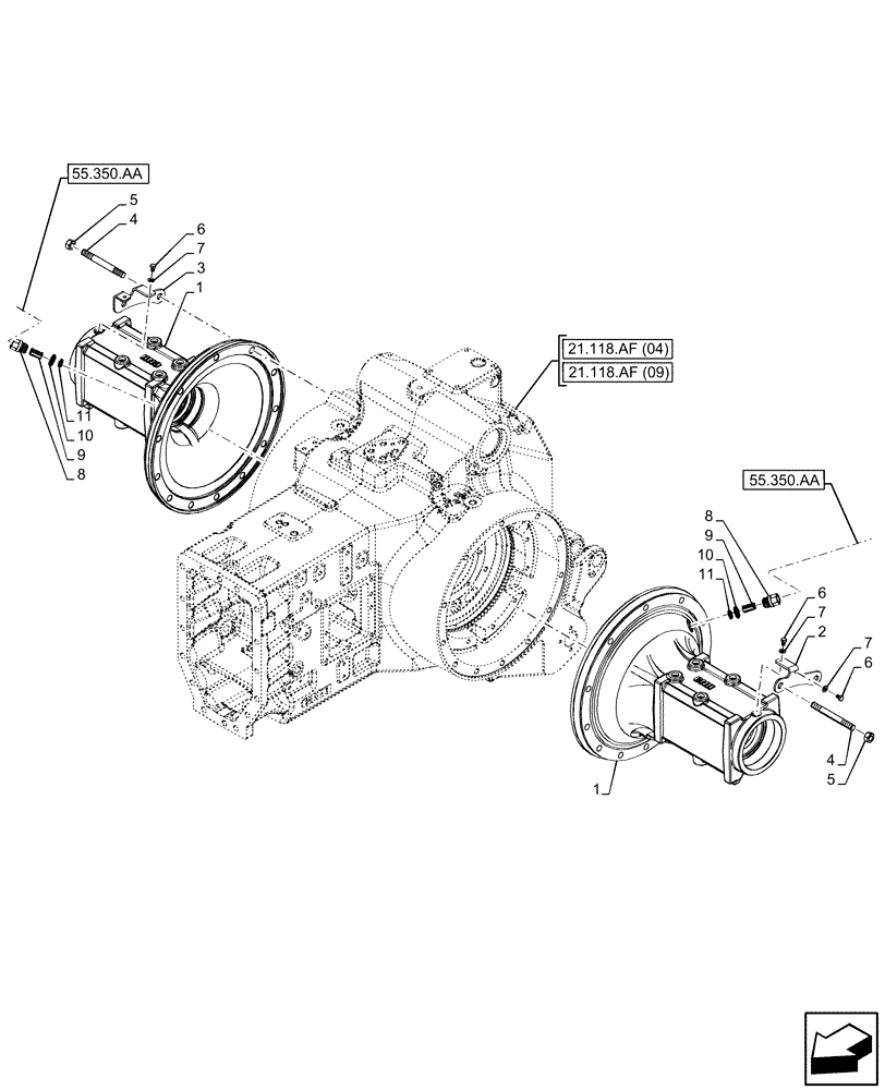
1

47469216

AXLE CARRIER

Lateral Reducer

2шт.

2

84600112

BRACKET

LH

1шт.

3

84488701

BRACKET

RH

1шт.

4

47693628

STUD

24шт.

5

12164124

NUT,M16 x 1.5, Cl 8

24шт.

6

336199

BOLT,Hex, M8 x 1.25 x 12mm, Cl 8.8, Full Thd

3шт.

7

14496521

WASHER,8.4mm ID x 17mm OD x 1.6mm Thk

3шт.

8

84387219

BUSHING,M27 x 2

ABS Sensor

2шт.

9

84395487

SLEEVE,16mm ID x 18mm OD x 31.5mm L

ABS Sensor

2шт.

10

14438185

O-RING,24mm ID x 3mm

2шт.

11

14437985

O-RING,15.3mm ID x 2.4mm

2шт.

Выбрано товаров: 11