Запчасти Case IH PUMA 220 CVT (37.100.AA[11]) - VAR - 758651, 758652, 758653, 758654, 758655, 758656, 758657, 758658, 758861, 758862, 758937, 758938 - DRAWBAR (37) - HITCHES, DRAWBARS & IMPLEMENT COUPLINGS

Схема запчастей Case IH PUMA 220 CVT - (37.100.AA[11]) - VAR - 758651, 758652, 758653, 758654, 758655, 758656, 758657, 758658, 758861, 758862, 758937, 758938 - DRAWBAR (37) - HITCHES, DRAWBARS & IMPLEMENT COUPLINGS
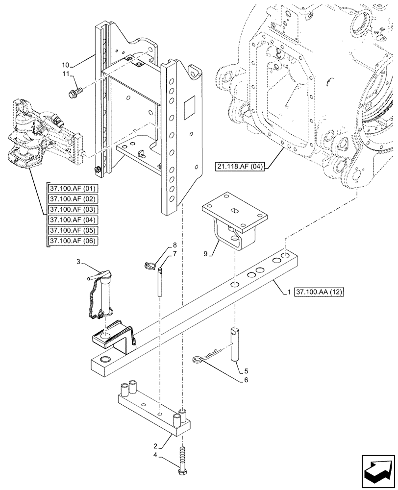
37.100.af (03)
9
6
1
8
7
3
11
5
10
2
4
37.100.af (02)
37.100.af (04)
37.100.af (06)
37.100.af (05)
21.118.af (04)
37.100.af (01)
37.100.aa (12)
FIT
1:1
100%

Артикул

Название

Примечание

Количество

1

47553677

DRAWBAR

1шт.

2

47553660

SUPPORT

1шт.

3

47553669

PIN,50mm OD x 182mm L

1шт.

4

11126134

BOLT,Hex, M20 x 120mm, Cl 10.9

M20 x 120

4шт.

5

87561338

PIN,32mm OD x 156.5mm L

1шт.

6

82000094

SPRING,40mm OD x 142mm L

1шт.

7

82015207

PIN,16mm OD x 141mm L

2шт.

8

82014909

LOCK PIN,5.5mm OD

2шт.

9

87561340

HITCH BRACKET

1шт.

10

47538205

FRAME

1шт.

Valid Also for Var. 338968

1шт.

11

47700587

SCREW,M18 x 1.5 x 45mm

8шт.

Valid Also for Var. 338968

1шт.

Выбрано товаров: 13