Запчасти Case IH PUMA 240 CVT (35.100.AR[03]) - VAR - 391170, 758071, 758072, 758074, 758075, 758076, 758077, 758079, 758080, 758081, 758082, 758083 - REMOTE CONTROL VALVE, LIFT CYLINDER, LINE (35) - HYDRAULIC SYSTEMS

Схема запчастей Case IH PUMA 240 CVT - (35.100.AR[03]) - VAR - 391170, 758071, 758072, 758074, 758075, 758076, 758077, 758079, 758080, 758081, 758082, 758083 - REMOTE CONTROL VALVE, LIFT CYLINDER, LINE (35) - HYDRAULIC SYSTEMS
35.204.bq (03)
15
17
13
18
12
4
18
9
16
15
17
14
18
14
19
12
3
11
7
8
1
18
17
2
10
6
17
9
12
12
19
16
7
10
12
35.204.bq (09)
5
35.204.bq (05)
35.204.bq (01)
35.204.bq (07)
35.204.bq (11)
35.100.bi (01)
35.100.bi (01)
FIT
1:1
100%

Артикул

Название

Примечание

Количество

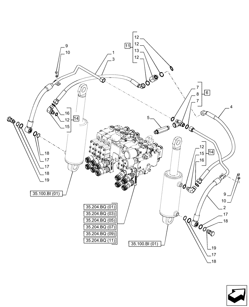
1

84544105

PIPE

Lift Cylinder, LH

1шт.

2

84544109

PIPE

Lift Cylinder, RH

1шт.

3

87316344

FLEXIBLE HOSE

Lift Cylinder, LH

1шт.

4

87316345

FLEXIBLE HOSE

Lift Cylinder, RH

1шт.

5

84323257

HYD CONNECTOR,M22 x 1.5 x 83mm L

1шт.

6

5197110

TEE,1"-14 UNS

ASSY, Incl 7 (Qty 2), 8

1шт.

7

5185512

O-RING,0.07" Thk x 0.614" ID, -16, Cl 6, 90 Duro

2шт.

8

NSS

NOT SOLD SEPARAT

Tee, Incl in 6

1шт.

9

336199

BOLT,Hex, M8 x 1.25 x 12mm, Cl 8.8, Full Thd

2шт.

10

10519601

WASHER,8.15mm ID x 17mm OD x 2mm Thk

2шт.

11

84989665

TEE,1"-14 ORFS

ASSY, Incl 12 (Qty 3), 13

1шт.

12

9992069

O-RING,0.07" Thk x 0.614" ID, -16, Cl 6, 90 Duro

5шт.

13

NSS

NOT SOLD SEPARAT

Tee, Incl in 11

1шт.

14

86579693

ELBOW,90 Degree, 1"-14 ORFS x M18 x 1.5 ORB

ASSY, Incl 12 (Qty 1), 15, 16

2шт.

15

NSS

NOT SOLD SEPARAT

Elbow, Incl in 14

1шт.

16

86598101

O-RING,2.2mm Thk x 15.3mm ID, Cl 6, 90 Duro

1шт.

17

9672549

O-RING,0.103" Thk x 0.987" ID, -120, Cl 5, 75 Duro

4шт.

18

5189534

WASHER,25.8mm ID x 30.2mm OD x 1.1mm Thk

4шт.

19

84544103

HYD CONNECTOR,M18 x 1.5 x 55mm L

2шт.

Выбрано товаров: 19