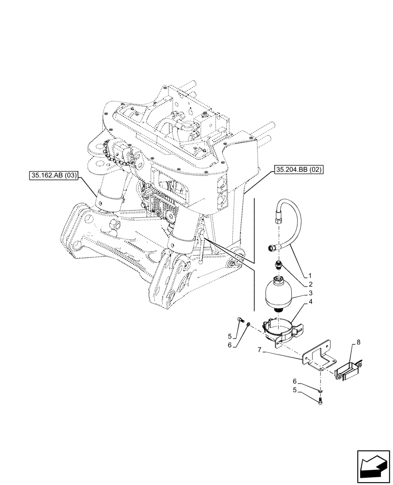
Запчасти Case IH PUMA 240 CVT (35.160.AK[01]) - VAR - 758088, 758089, 758090 - 3 POINT HITCH, FRONT, ACCUMULATOR (35) - HYDRAULIC SYSTEMS

Схема запчастей Case IH PUMA 240 CVT - (35.160.AK[01]) - VAR - 758088, 758089, 758090 - 3 POINT HITCH, FRONT, ACCUMULATOR (35) - HYDRAULIC SYSTEMS
35.204.bb (02)
4
3
5
8
2
7
6
6
5
1
35.162.ab (03)
FIT
1:1
100%

Артикул

Название

Примечание

Количество

1

84481587

HOSE,10mm ID x 485mm L, SAE 100R16

1шт.

2

84486317

FITTING

1шт.

3

84290006

ACCUMULATOR,210 Bar, 0.50L

1шт.

4

84481296

FASTENER

1шт.

5

120228

HEX SOC SCREW,M8 x 20mm, Cl 8.8, Full Thd

4шт.

6

86624184

WASHER,9mm ID x 16mm OD x 1.6mm Thk

4шт.

7

84481270

BRACKET

1шт.

8

84398968

HOLDER

1шт.

Выбрано товаров: 0