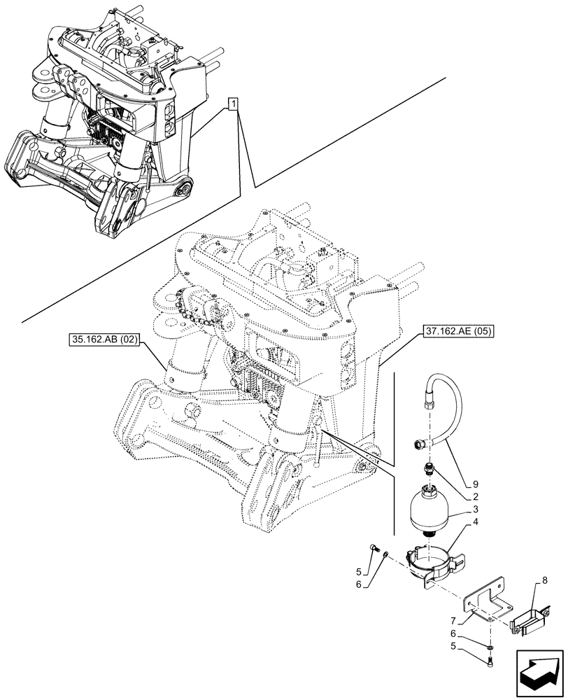
Запчасти Case IH PUMA 240 CVT (35.160.AK[03]) - VAR - 758091, 758245 - 3 POINT HITCH, W/ FRONT PTO, ACCUMULATOR (35) - HYDRAULIC SYSTEMS

Схема запчастей Case IH PUMA 240 CVT - (35.160.AK[03]) - VAR - 758091, 758245 - 3 POINT HITCH, W/ FRONT PTO, ACCUMULATOR (35) - HYDRAULIC SYSTEMS
37.162.ae (05)
6
5
1
4
8
2
3
9
5
6
7
35.162.ab (02)
FIT
1:1
100%

Артикул

Название

Примечание

Количество

1

84474238

HITCH

ASSY, Incl 2 - 9

1шт.

See also Figure 31.142.AF (01), 31.146.AC (03), 35.160.AF (02), 35.162.AB (02), 35.162.AG (02), 37.162.AE (03), 37.162.AE (04), 37.166.AD (01), 55.160.AP (04)

1шт.

2

84486317

FITTING

1шт.

3

84290006

ACCUMULATOR,210 Bar, 0.50L

1шт.

4

84481296

FASTENER

1шт.

5

120228

HEX SOC SCREW,M8 x 20mm, Cl 8.8, Full Thd

4шт.

6

86624184

WASHER,9mm ID x 16mm OD x 1.6mm Thk

4шт.

7

84481270

BRACKET

1шт.

8

84398968

HOLDER

1шт.

9

84481587

HOSE,10mm ID x 485mm L, SAE 100R16

1шт.

Выбрано товаров: 10