Запчасти Case IH PUMA 240 CVT (35.204.BW[01]) - VAR - 391164, 391165, 758059 - 3 REMOTE CONTROL VALVES, RESERVOIR (35) - HYDRAULIC SYSTEMS

Схема запчастей Case IH PUMA 240 CVT - (35.204.BW[01]) - VAR - 391164, 391165, 758059 - 3 REMOTE CONTROL VALVES, RESERVOIR (35) - HYDRAULIC SYSTEMS
31.114.ah (01)
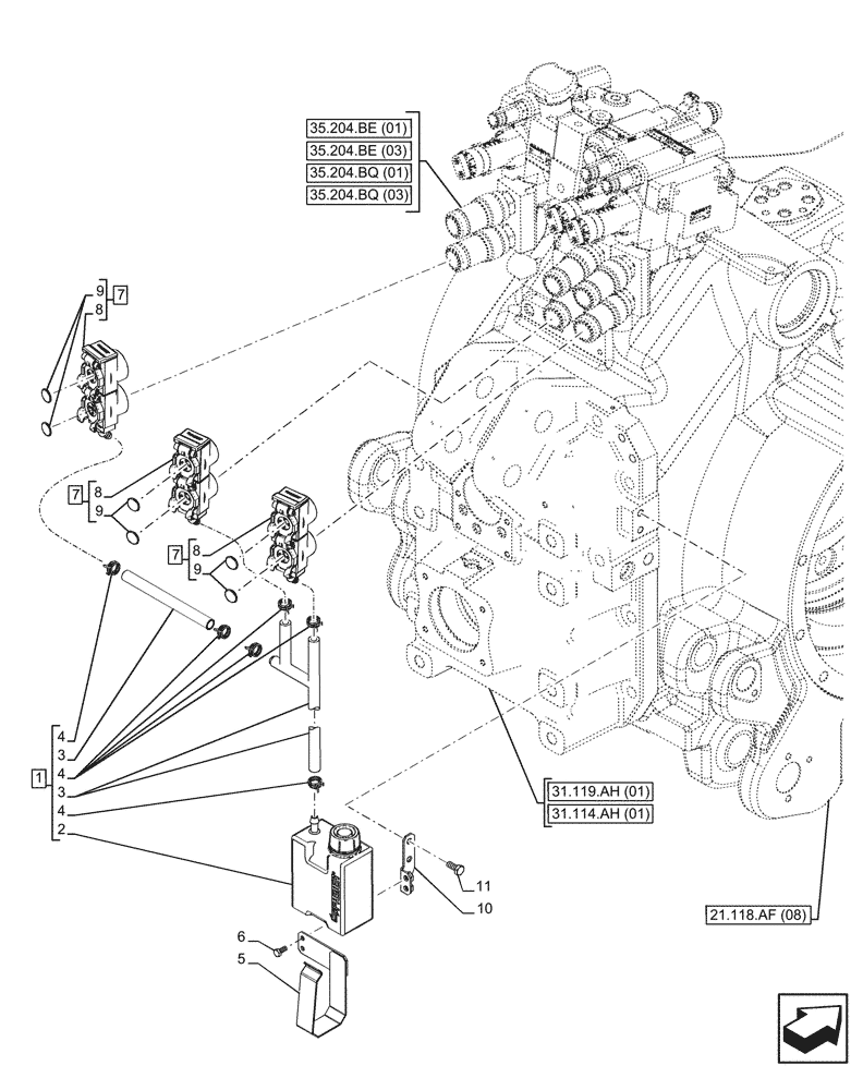
1
10
8
4
9
2
7
3
7
8
9
3
5
21.118.af (08)
4
9
7
8
6
11
4
35.204.bq (01)
31.119.ah (01)
35.204.bq (03)
35.204.be (03)
35.204.be (01)
FIT
1:1
100%

Артикул

Название

Примечание

Количество

1

84253965

TANK

ASSY, Incl 2 - 4

1шт.

2

87555441

RESERVOIR, HYDRAULIC,600ml

600ml

1шт.

3

84253968

FLEXIBLE HOSE

1шт.

4

13423370

CLAMP,13.6mm - 15.1mm

13.6 - 15.1 x 1.5

6шт.

5

84312030

SUPPORT

1шт.

6

10902121

SCREW,Hex, M6 x 14mm, Cl 8.8

2шт.

7

47617738

ASSY, Double Black Clips, Incl 8 (Qty 1), 9 (Qty 2)

CAP

3шт.

8

84253930

DUST CAP,56.5mm H x 128mm L x 39.5mm Thk

Double

3шт.

9

82029895

DISC,20mm D, Black

Black

6шт.

10

84319178

BRACKET

1шт.

11

14307374

BOLT,Hex Skt, M10 x 1.25 x 20mm, Cl 12.9, Full Thd

2шт.

Выбрано товаров: 0