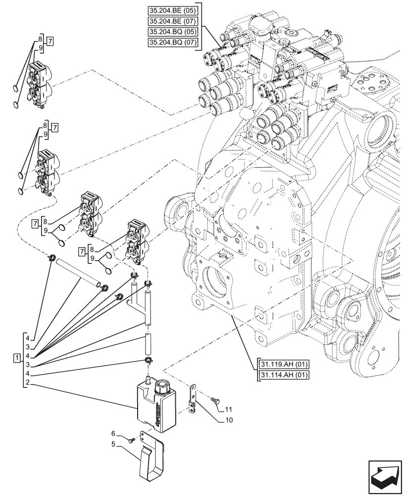
Запчасти Case IH PUMA 240 CVT (35.204.BW[02]) - VAR - 758058, 758060 - 4 REMOTE CONTROL VALVES, RESERVOIR (35) - HYDRAULIC SYSTEMS

Схема запчастей Case IH PUMA 240 CVT - (35.204.BW[02]) - VAR - 758058, 758060 - 4 REMOTE CONTROL VALVES, RESERVOIR (35) - HYDRAULIC SYSTEMS
31.114.ah (01)
8
7
9
9
10
4
6
8
9
7
7
8
7
4
2
4
8
9
5
3
1
3
11
35.204.bq (05)
35.204.bq (07)
31.119.ah (01)
35.204.be (07)
35.204.be (05)
FIT
1:1
100%

Артикул

Название

Примечание

Количество

1

84286362

BOTTLE

ASSY, Incl 2 - 4

1шт.

2

87555441

RESERVOIR, HYDRAULIC,600ml

600ml

1шт.

3

84253969

FLEXIBLE HOSE,8mm ID x 1030mm L

1шт.

4

13423370

CLAMP,13.6mm - 15.1mm

13.6 - 15.1 x 1.5

7шт.

5

84312030

SUPPORT

1шт.

6

10902121

SCREW,Hex, M6 x 14mm, Cl 8.8

2шт.

7

47617738

ASSY, Double Black Clips, Incl 8 (Qty 1), 9 (Qty 2)

CAP

4шт.

8

84253930

DUST CAP,56.5mm H x 128mm L x 39.5mm Thk

Double

4шт.

9

82029895

DISC,20mm D, Black

Black

8шт.

10

84319178

BRACKET

1шт.

11

14307374

BOLT,Hex Skt, M10 x 1.25 x 20mm, Cl 12.9, Full Thd

2шт.

Выбрано товаров: 11