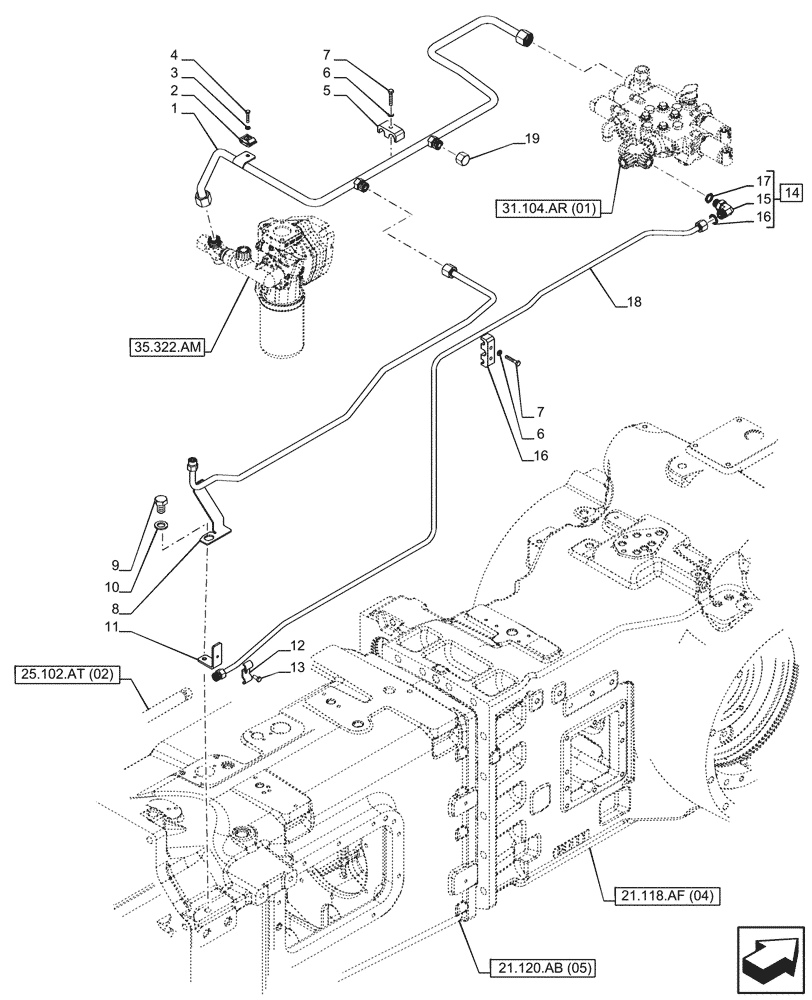
Запчасти Case IH PUMA 240 CVT (35.322.AY[06]) - VAR - 391138, 758022 - TRANSMISSION, LOW PRESSURE, LINE (35) - HYDRAULIC SYSTEMS

Схема запчастей Case IH PUMA 240 CVT - (35.322.AY[06]) - VAR - 391138, 758022 - TRANSMISSION, LOW PRESSURE, LINE (35) - HYDRAULIC SYSTEMS
21.120.ab (05)
18
15
2
4
5
19
16
12
7
16
13
17
11
7
14
6
10
3
6
9
1
8
35.322.am
31.104.ar (01)
21.118.af (04)
25.102.at (02)
FIT
1:1
100%

Артикул

Название

Примечание

Количество

1

47567884

PIPE

Supply

1шт.

2

87738904

CLAMP BRACKET

1шт.

3

9824326

WASHER,5.3mm ID x 10mm OD x 1mm Thk

1шт.

4

10978221

BOLT,Hex, M5 x 25mm, Cl 8.8, Full Thd

1шт.

5

87608306

CLAMP BRACKET

1шт.

6

11197779

BELLEVILLE WASHER,M6 Bolt Size x 12mm OD x 1.2mm Thk

3шт.

7

10903021

SCREW,Hex, M6 x 35mm, Cl 8.8

3шт.

8

47678481

PIPE

1шт.

9

15219521

BOLT,Hex, M16 x 25mm, Cl 8.8, Full Thd

1шт.

10

10520205

WASHER,Flat, 16.40mm ID x 28.00mm OD x 3.00mm, CST, ZND

1шт.

11

87567663

BRACKET

1шт.

12

87567664

CLAMP BRACKET

1шт.

13

10902121

SCREW,Hex, M6 x 14mm, Cl 8.8

1шт.

14

86579687

ELBOW,90 Degree, 11/16"-16 x M16 x 1.5 ORB

ASSY, Incl 15 - 17

1шт.

15

NSS

NOT SOLD SEPARAT

Elbow, Incl in 14

1шт.

16

87608152

CLAMP BRACKET

1шт.

16

9993141

O-RING,0.07" Thk x 0.364" ID, -12, Cl 6, 90 Duro

1шт.

17

86598100

O-RING,2.2mm Thk x 13.3mm ID, Cl 6, 90 Duro

1шт.

18

87758497

HYD TUBE

Front Differential Lock

1шт.

19

9840575

CAP,13/16" - 16 ORFS

1шт.

Выбрано товаров: 0