Запчасти Case IH PUMA 240 CVT (55.000.00[03]) - SECTION INDEX - ELECTRICAL SYSTEMS (55) - ELECTRICAL SYSTEMS

Схема запчастей Case IH PUMA 240 CVT - (55.000.00[03]) - SECTION INDEX - ELECTRICAL SYSTEMS (55) - ELECTRICAL SYSTEMS
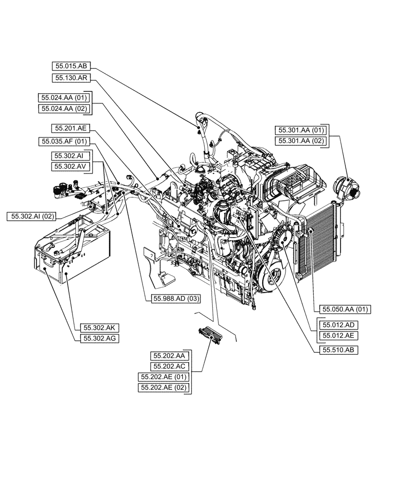
55.302.ak
55.988.ad (03)
55.130.ar
55.302.ai (02)
55.024.aa (01)
55.024.aa (02)
55.510.ab
55.012.ad
55.202.ac
55.202.aa
55.302.ai
55.302.av
55.050.aa (01)
55.202.ae (02)
55.015.ab
55.202.ae (01)
55.035.af (01)
55.012.ae
55.301.aa (02)
55.301.aa (01)
55.201.ae
55.302.ag
FIT
1:1
100%