Запчасти Case IH PUMA 240 CVT (21.109.AD[04]) - VAR - 337427, 337433, 391138, 758022 - TRANSMISSION, OIL COOLER, LINE (21) - TRANSMISSION

Схема запчастей Case IH PUMA 240 CVT - (21.109.AD[04]) - VAR - 337427, 337433, 391138, 758022 - TRANSMISSION, OIL COOLER, LINE (21) - TRANSMISSION
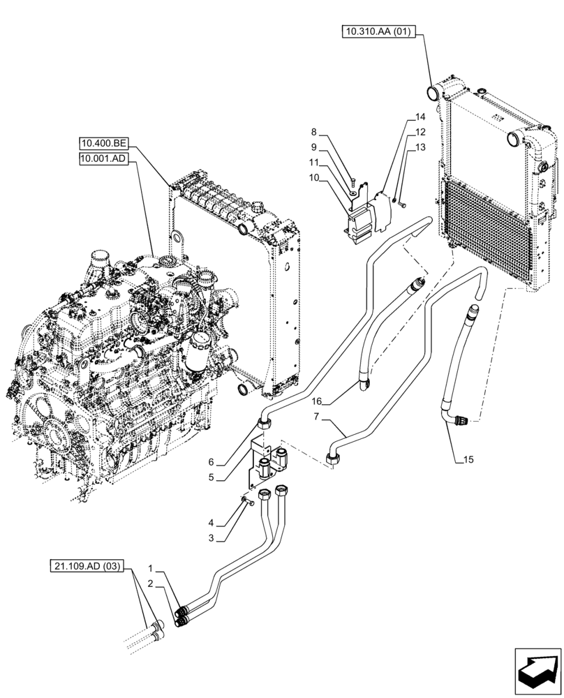
10.400.be
7
9
12
10.001.ad
3
4
16
11
14
10
6
15
1
21.109.ad (03)
10.310.aa (01)
8
13
2
5
FIT
1:1
100%

Артикул

Название

Примечание

Количество

1

47367653

PIPE

Oil Cooler Supply

1шт.

2

47367650

PIPE

Oil Cooler Return

1шт.

3

9706687

BOLT,M12 x 1.75 x 30mm, Cl 8.8

2шт.

4

86511324

WASHER,13mm ID x 24mm OD x 2.5mm Thk

2шт.

5

47476485

BRACKET

1шт.

6

47427724

PIPE

Oil Cooler Supply

1шт.

7

47427722

PIPE

Oil Cooler Return

1шт.

8

120100

BOLT,M6 x 20mm, Cl 8.8

2шт.

9

10523401

WASHER,6.15mm ID x 18mm OD x 2mm Thk

2шт.

10

84123764

SUPPORT

1шт.

11

87650542

BRACKET

1шт.

12

10519401

WASHER,6.4mm ID x 11.95mm OD x 1.6mm Thk

2шт.

13

86508568

BOLT,Hex, M6 x 1 x 16mm, Cl 8.8

2шт.

14

87488159

BRACKET

1шт.

15

84184076

HOSE,28mm ID

Oil Cooler Return

1шт.

16

84184075

HOSE,25.4mm ID x 805mm L, SAE 100R6

Oil Cooler Supply

1шт.

Выбрано товаров: 16