Запчасти Case IH PUMA 240 CVT (21.118.AJ[03]) - VAR - 758008 - TRANSMISSION OIL, HEATER (240V) (21) - TRANSMISSION

Схема запчастей Case IH PUMA 240 CVT - (21.118.AJ[03]) - VAR - 758008 - TRANSMISSION OIL, HEATER (240V) (21) - TRANSMISSION
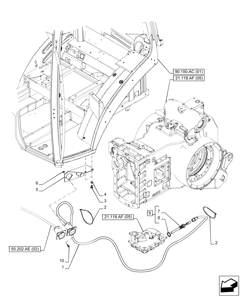
1
21.118.af (05)
6
90.150.ac (01)
7
3
4
5
8
21.118.af (05)
2
55.202.ae (02)
9
10
2
FIT
1:1
100%

Артикул

Название

Примечание

Количество

1

84397509

ELECTRIC CABLE

240V, Transmission Oil Heater

1шт.

2

82001041

CABLE TIE,0.190" x 7.00" / 200 mm L

2шт.

3

16043221

BOLT,Hex, M8 x 16mm, Cl 8.8, Full Thd

2шт.

4

14496521

WASHER,8.4mm ID x 17mm OD x 1.6mm Thk

2шт.

5

47390802

SUPPORT

Heater Sockets

1шт.

6

100012

NUT,M4 x 0.7, Cl 8

2шт.

7

NSS

NOT SOLD SEPARAT

Heater, Incl in 9

1шт.

8

81903721

O-RING,0.116" Thk x 1.048" ID, -914, Cl 6, 90 Duro

1шт.

9

82030789

HEATER,240V

240V, ASSY, Incl 7, 8

1шт.

10

13271914

SCREW,Pozidriv Pan Hd, M4 x 10mm, Cl 5.8, Full Thd

2шт.

Выбрано товаров: 10