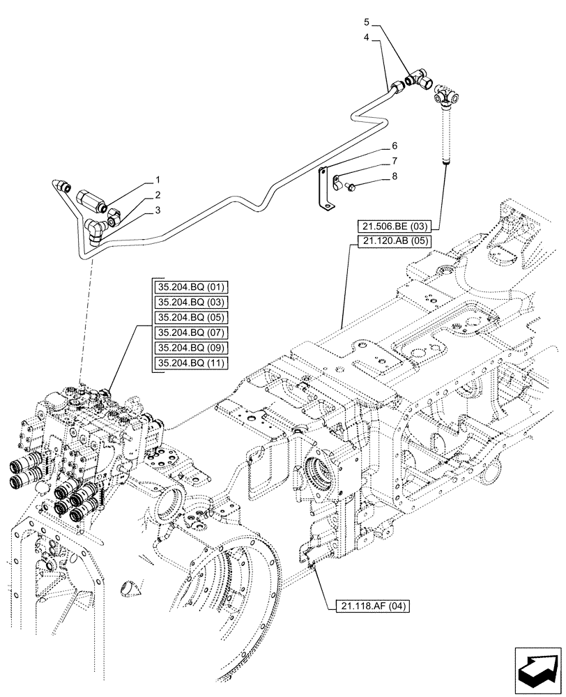
Запчасти Case IH PUMA 240 CVT (21.506.BE[06]) - VAR - 758056 - TRANSMISSION, LUBRICATION LINE (21) - TRANSMISSION

Схема запчастей Case IH PUMA 240 CVT - (21.506.BE[06]) - VAR - 758056 - TRANSMISSION, LUBRICATION LINE (21) - TRANSMISSION
7
21.118.af (04)
2
35.204.bq (05)
1
35.204.bq (07)
3
5
6
35.204.bq (09)
21.120.ab (05)
35.204.bq (01)
4
35.204.bq (11)
8
35.204.bq (03)
21.506.be (03)
FIT
1:1
100%

Артикул

Название

Примечание

Количество

1

84197114

FILTER

1шт.

2

84546907

TUBE

1шт.

3

87519151

HYD CONNECTOR,1"3/16-12 x M27 x 2 x 1"14

1шт.

4

47397033

TUBE

Lube Remote Valves

1шт.

5

5197110

TEE,1"-14 UNS

1шт.

6

84359294

BRACKET

1шт.

7

87010656

CLAMP,17.5mm, Coat, 10.3mm Bolt Hole, P Type

1шт.

8

86050286

FLANGE BOLT,M10 x 20mm, Cl 8.8

1шт.

Выбрано товаров: 8