Запчасти Case IH PUMA 240 CVT (00.000.10[02]) - PICTORIAL INDEX - ENGINE (00) - GENERAL & PICTORIAL INDEX

Схема запчастей Case IH PUMA 240 CVT - (00.000.10[02]) - PICTORIAL INDEX - ENGINE (00) - GENERAL & PICTORIAL INDEX
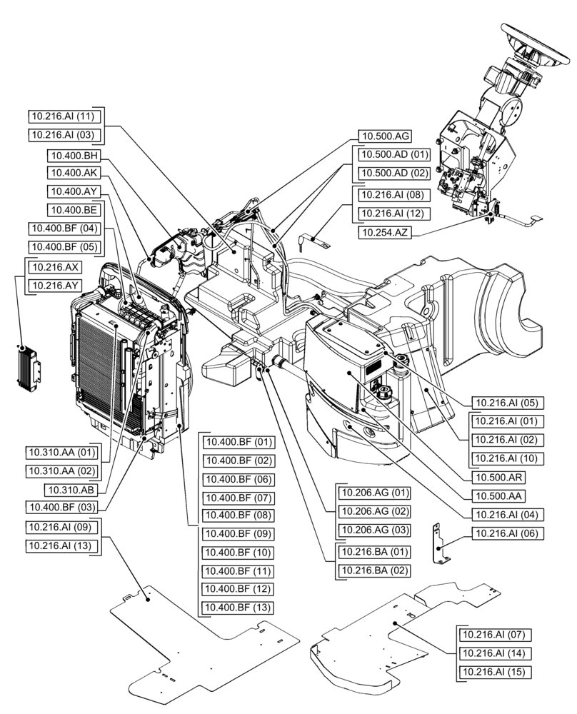
10.500.aa
10.216.ai (14)
10.400.bf (01)
10.400.bf (10)
10.400.bf (08)
10.500.ag
10.400.bf (02)
10.400.ak
10.216.ai (08)
10.400.bf (05)
10.400.ay
10.216.ai (05)
10.400.bf (12)
10.216.ay
10.400.bf (04)
10.310.aa (01)
10.400.bf (06)
10.206.ag (01)
10.216.ai (04)
10.216.ai (07)
10.216.ai (02)
10.400.bf (11)
10.216.ax
10.216.ai (01)
10.216.ba (01)
10.400.bf (13)
10.216.ba (02)
10.254.az
10.500.ar
10.206.ag (02)
10.216.ai (09)
10.500.ad (01)
10.500.ad (02)
10.216.ai (10)
10.216.ai (15)
10.216.ai (03)
10.216.ai (13)
10.400.bf (07)
10.216.ai (12)
10.400.bh
10.216.ai (11)
10.310.ab
10.400.bf (03)
10.206.ag (03)
10.400.be
10.310.aa (02)
10.216.ai (06)
10.400.bf (09)
FIT
1:1
100%