Запчасти Case IH PUMA 240 CVT (31.000.00[02]) - SECTION INDEX - IMPLEMENT POWER TAKE OFF (31) - IMPLEMENT POWER TAKE OFF

Схема запчастей Case IH PUMA 240 CVT - (31.000.00[02]) - SECTION INDEX - IMPLEMENT POWER TAKE OFF (31) - IMPLEMENT POWER TAKE OFF
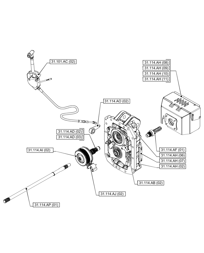
31.114.ah (07)
31.114.ap (01)
31.114.ai (02)
31.114.aj (02)
31.114.ah (09)
31.114.ad (02)
31.101.ac (02)
31.114.ad (03)
31.114.ao (02)
31.114.ah (10)
31.114.ah (06)
31.114.ah (11)
31.114.ab (02)
31.114.ah (08)
31.114.af (01)
31.114.ah (02)
FIT
1:1
100%