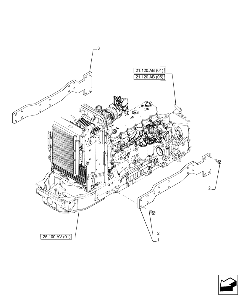
Запчасти Case IH PUMA 150 (90.100.AR) - VAR - 758199 - ENGINE, SIDE MEMBER (90) - PLATFORM, CAB, BODYWORK AND DECALS

Схема запчастей Case IH PUMA 150 - (90.100.AR) - VAR - 758199 - ENGINE, SIDE MEMBER (90) - PLATFORM, CAB, BODYWORK AND DECALS
3
21.120.ab (01)
2
2
1
21.120.ab (05)
25.100.av (01)
FIT
1:1
100%

Артикул

Название

Примечание

Количество

1

87487746

SUPPORT

Side, Engine, LH

1шт.

2

82020153

BOLT,Flng, M20 x 2.5 x 58mm, Cl 12.9

16шт.

3

87487744

SUPPORT

Side, Engine, RH

1шт.

Выбрано товаров: 3