Запчасти Case IH PUMA 150 (90.151.AP[04]) - VAR - 335475, 335476, 335477, 335478, 335479, 335480, 335481 - ARMREST, SUPPORT, SLIDE MECHANISM (90) - PLATFORM, CAB, BODYWORK AND DECALS

Схема запчастей Case IH PUMA 150 - (90.151.AP[04]) - VAR - 335475, 335476, 335477, 335478, 335479, 335480, 335481 - ARMREST, SUPPORT, SLIDE MECHANISM (90) - PLATFORM, CAB, BODYWORK AND DECALS
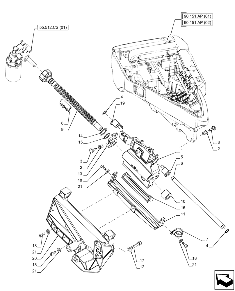
90.151.ap (01)
20
13
4
4
55.512.cs (01)
12
14
3
17
15
3
7
10
90.151.ap (02)
5
19
11
18
18
1
9
2
6
8
16
21
21
2
18
21
18
21
FIT
1:1
100%

Артикул

Название

Примечание

Количество

1

47360984

SLIDE

1шт.

2

15624411

RIVET,Flat, M6 OD x 16mm L

4шт.

3

47510297

HEX SOC SCREW,M6 x 1 x 25mm, Cl 8.8

4шт.

4

11066271

RING,Ext, 14mm Dia

2шт.

5

84146834

BUSHING,14.3mm ID x 20.36mm OD x 43.3mm L

Rear

1шт.

6

84146847

SHAFT,14mm OD x 280mm L

Guide

1шт.

7

84232921

CABLE CLIP,25mm ID

1шт.

8

84146843

HALF-BUSHING,48mm L

Adjuster

1шт.

9

84163864

ADJUSTMENT SCREW,309 mm L

1шт.

10

84206874

SPACER,18.2mm ID x 30mm OD x 19.5mm L

1шт.

11

84236407

SUPPORT

Pillow

1шт.

12

14496501

WASHER,8.4mm ID x 17mm OD x 1.6mm Thk

4шт.

13

84146837

SPACER,18mm ID x 29mm OD

Front

1шт.

14

84146848

FRICTION WASHER,24.4mm ID x 32mm OD x 1.7mm Thk

1шт.

15

81865873

CLIP,19.40mm D

1шт.

16

84236392

SLIDE GUIDE

Pillow Block

1шт.

17

14306621

HEX SOC SCREW,M8 x 35mm, Cl 8.8, Full Thd

4шт.

18

86531615

HEX SOC SCREW,M6 x 20mm, Cl 8.8

6шт.

19

84146826

BUSHING,14.3mm ID x 20.36mm OD x 40.3mm L

Front

1шт.

20

47360983

SLIDE

Fixed

1шт.

21

10519407

WASHER,6.4mm ID x 11.95mm OD x 1.6mm Thk

6шт.

Выбрано товаров: 21