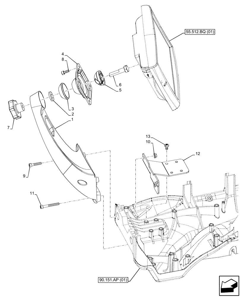
Запчасти Case IH PUMA 150 (90.151.AT[06]) - VAR - 758147, 758150, 758151 - GARU ARMREST, MONITOR, SUPPORT (90) - PLATFORM, CAB, BODYWORK AND DECALS

Схема запчастей Case IH PUMA 150 - (90.151.AT[06]) - VAR - 758147, 758150, 758151 - GARU ARMREST, MONITOR, SUPPORT (90) - PLATFORM, CAB, BODYWORK AND DECALS
55.512.bq (01)
9
8
7
10
6
5
13
12
3
2
11
1
4
90.151.ap (01)
FIT
1:1
100%

Артикул

Название

Примечание

Количество

1

84369437

MOUNT

Black

1шт.

2

86625256

WASHER,13.3mm ID x 28.5mm OD x 4mm Thk

1шт.

3

82039389

CUP WASHER,12.5mm ID x 50mm OD x 17mm Thk, Glass Filled Nylon

1шт.

4

87583911

BASE PLATE

1шт.

5

82038414

HALF BALL

1шт.

6

87568603

SPECIAL BOLT,Hex, M12 x 60

1шт.

7

87353504

KNOB

1шт.

8

14305221

HEX SOC SCREW,M6 x 16mm, Full Thd, Cl 8.8

4шт.

9

14305521

HEX SOC SCREW,M6 x 30mm, Cl 8.8, Full Thd

2шт.

10

86511444

FLANGE NUT,Hex, M6 x 1

3шт.

11

356464

HEX SOC SCREW,M6 x 50mm, Cl 8.8

M6 x 50

1шт.

12

47513984

BRACKET

Dark Grey

1шт.

13

13276021

SCREW,Pozidriv Pan Hd, M6 x 12mm, Cl 8.8, Full Thd

4шт.

Выбрано товаров: 13