Качественные детали и логистика
Оригинальные и аналоговые запчасти с доставкой по России, Казахстану и Беларуси
©2022 PartSell ООО "Система" ИНН 2463123282 ОГРН 1212400004838
Центральный офис: г. Красноярск, Академика Киренского, д.87, пом.4
Телефон: 8 (800) 777-65-74 Email: zakaz@partsell.ru
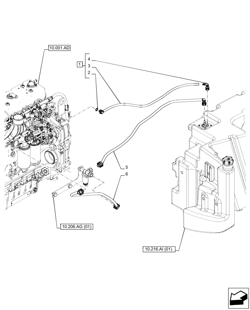
(10.216.BA[01]) - FUEL TANK, LINES
№
Артикул
Название
Примечание
Количество
1
84356045
FUEL TUBE,11mm OD X 750mm
From Tank to Engine, ASSY, Incl 2 - 4
1шт.
2
4894095
O-RING,2.5mm Thk x 8mm ID, 60 Duro
3
NSS
NOT SOLD SEPARAT
Fuel Hose, Incl in 1
4
84367132
FITTING,5/16'
5
47440729
FUEL TUBE
From Tank to Filter
6
47440769
From Filter to Engine
Выбрано товаров: 0