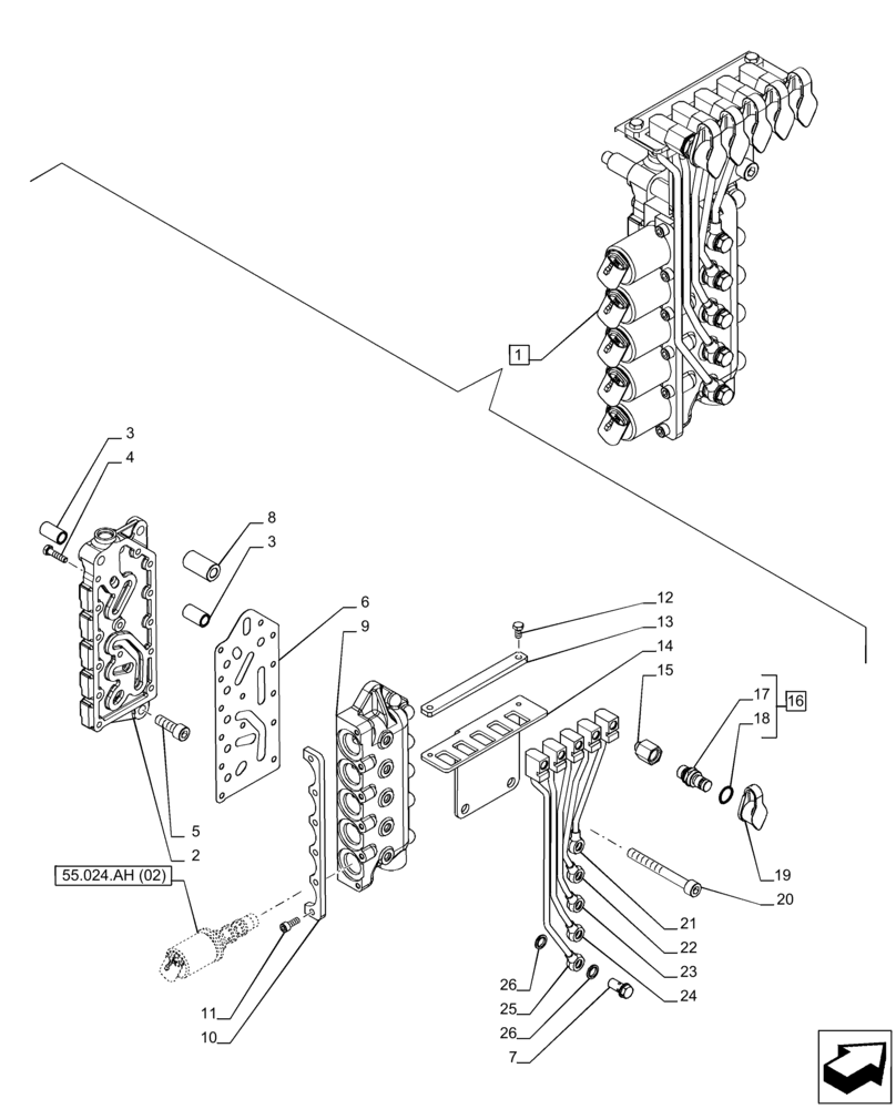
Запчасти Case IH PUMA 150 (21.133.AK[02]) - VAR - 391136, 758011, 758012, 758013, 758014, 758015 - TRANSMISSION CONTROL VALVE, COMPONENTS, SEMI-POWERSHIFT (21) - TRANSMISSION

Схема запчастей Case IH PUMA 150 - (21.133.AK[02]) - VAR - 391136, 758011, 758012, 758013, 758014, 758015 - TRANSMISSION CONTROL VALVE, COMPONENTS, SEMI-POWERSHIFT (21) - TRANSMISSION
18
11
13
10
3
24
55.024.ah (02)
17
5
19
4
12
8
21
2
16
7
9
26
26
14
25
6
1
23
3
15
20
22
FIT
1:1
100%

Артикул

Название

Примечание

Количество

1

NS

NOT SERVICED

ASSY, Serviced by components, Incl 2 - 26

1шт.

2

87678192

BODY

1шт.

3

87386700

SPACER,10.5mm ID x 15mm OD x 27mm L

2шт.

4

10902624

SCREW,Hex, M6 x 25mm, Cl 8.8, Full Thd

14шт.

5

14307521

HEX SOC SCREW,M10 x 1.25 x 30mm, Cl 8.8, Full Thd

1шт.

6

5165241

GASKET,0.5mm Thk

1шт.

7

87736835

BOLT,M10 x 1 x 20mm L

5шт.

8

5173616

SPACER,10.5mm ID x 20mm OD x 37mm L

1шт.

9

47134550

VALVE BODY

1шт.

10

47134564

FIXING PLATE

1шт.

11

14305231

HEX SOC SCREW,M6 x 16mm, Cl 10.9, Full Thd

6шт.

12

10902024

SCREW,Hex, M6 x 12mm, Cl 8.8

2шт.

13

84278577

BRACKET,149mm x 16mm

149mm

1шт.

14

84278567

BRACKET

1шт.

15

5185422

HYD CONNECTOR,M10 x 1 - M14 x 1.5

5шт.

16

5185423

COUPLING

ASSY, Incl 17, 18

5шт.

17

NSS

NOT SOLD SEPARAT

Coupling, Incl in 16

1шт.

18

86598099

O-RING,2.2mm Thk x 11.3mm ID, Cl 6

1шт.

19

5185424

DUST CAP,11.5mm ID x 81.5 L, Black

5шт.

20

14308324

SCREW,M10 x 1.25 x 70mm, Cl 8.8

2шт.

21

84278499

HYD TUBE

Check Clutch A

1шт.

22

84585248

HYD TUBE

Check Clutch B

1шт.

23

84585250

HYD TUBE

Check Clutch C

1шт.

24

84585252

HYD TUBE

Check Clutch D

1шт.

25

84278508

HYD TUBE

Check Clutch E

1шт.

26

87316678

SEALING WASHER,10mm ID x 16mm OD x 2.3mm Thk

10шт.

Выбрано товаров: 26