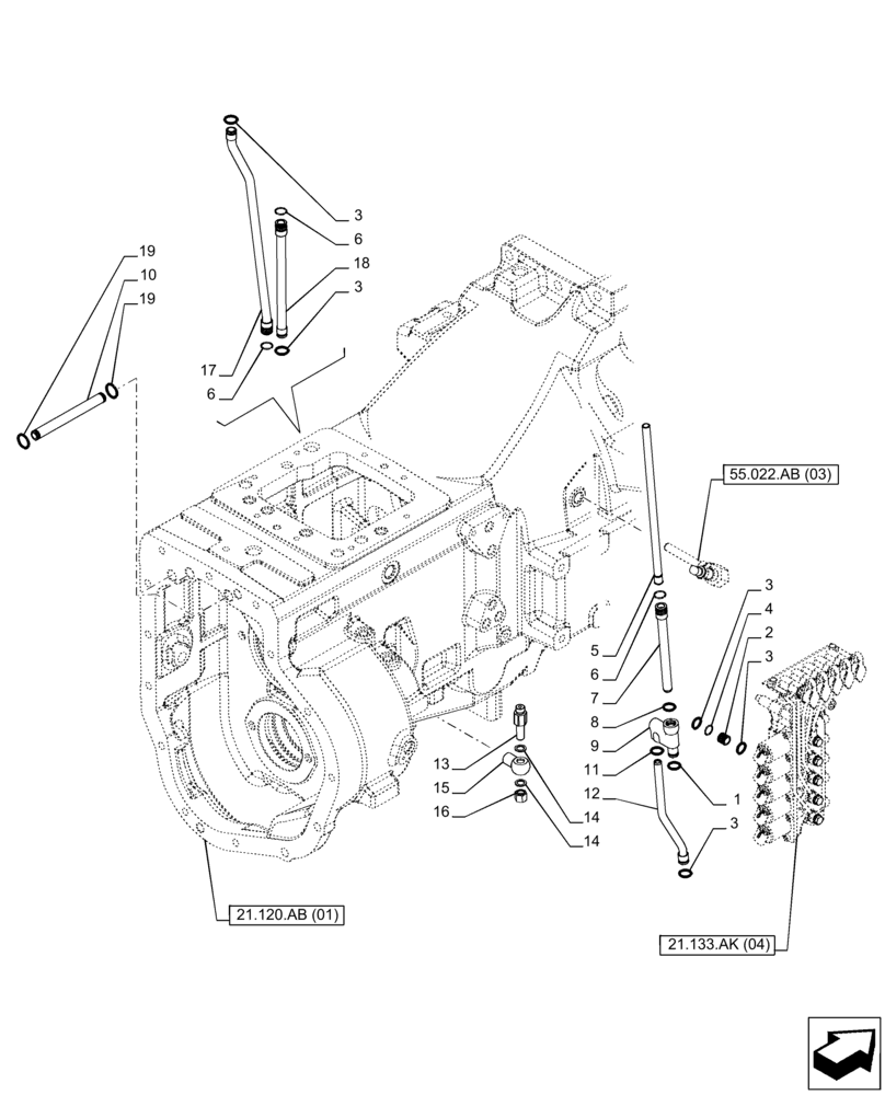
Запчасти Case IH PUMA 150 (21.133.AK[03]) - VAR - 758016, 758017, 758018, 758019, 758020, 758021 - TRANSMISSION CONTROL VALVE, FULL-POWERSHIFT (21) - TRANSMISSION

Схема запчастей Case IH PUMA 150 - (21.133.AK[03]) - VAR - 758016, 758017, 758018, 758019, 758020, 758021 - TRANSMISSION CONTROL VALVE, FULL-POWERSHIFT (21) - TRANSMISSION
3
6
21.133.ak (04)
1
18
19
21.120.ab (01)
8
19
3
14
3
11
14
6
16
4
3
2
12
17
7
3
55.022.ab (03)
10
13
6
9
5
15
FIT
1:1
100%

Артикул

Название

Примечание

Количество

1

14437785

O-RING,11.3mm ID x 2.4mm

1шт.

2

5172178

UNION,11mm ID x 14mm L

5шт.

3

14453182

O-RING,0.07" Thk x 0.489" ID, -14, Cl 9, 70 Duro

10шт.

4

13397770

SNAP RING,M16, Int

5шт.

5

5185279

HYD TUBE,318.5mm L

318.5mm

1шт.

6

13397870

CIRCLIP,16.2mm ID x 18mm OD

3шт.

7

5179267

HYD TUBE,171mm L

171mm

1шт.

8

14457180

O-RING,0.103" Thk x 0.549" ID, -113, Cl 5, 75 Duro

1шт.

9

5179255

HYD CONNECTOR,Hex, M12 x 1.25

1шт.

10

5176959

HYD TUBE,153mm L

153mm

3шт.

11

14457180

O-RING,0.103" Thk x 0.549" ID, -113, Cl 5, 75 Duro

1шт.

12

5172991

HYD TUBE,194mm L

194mm

1шт.

13

5189333

BANJO BOLT,M14 x 1.5, M12 x 1.5, 61mm L

1шт.

14

2854292

SEALING WASHER,12mm ID x 17mm OD x 1.5mm Thk

2шт.

15

5189334

END FITTING

1шт.

16

10183217

NUT,Banjo, M12 x 1.5, 2-Way

1шт.

17

5179234

HYD TUBE,379mm L

379mm

1шт.

18

5179274

HYD TUBE,220mm L

220mm

1шт.

19

14453280

O-RING,0.07" Thk x 0.551" ID, -15, Cl 5, 75 Duro

6шт.

Выбрано товаров: 19