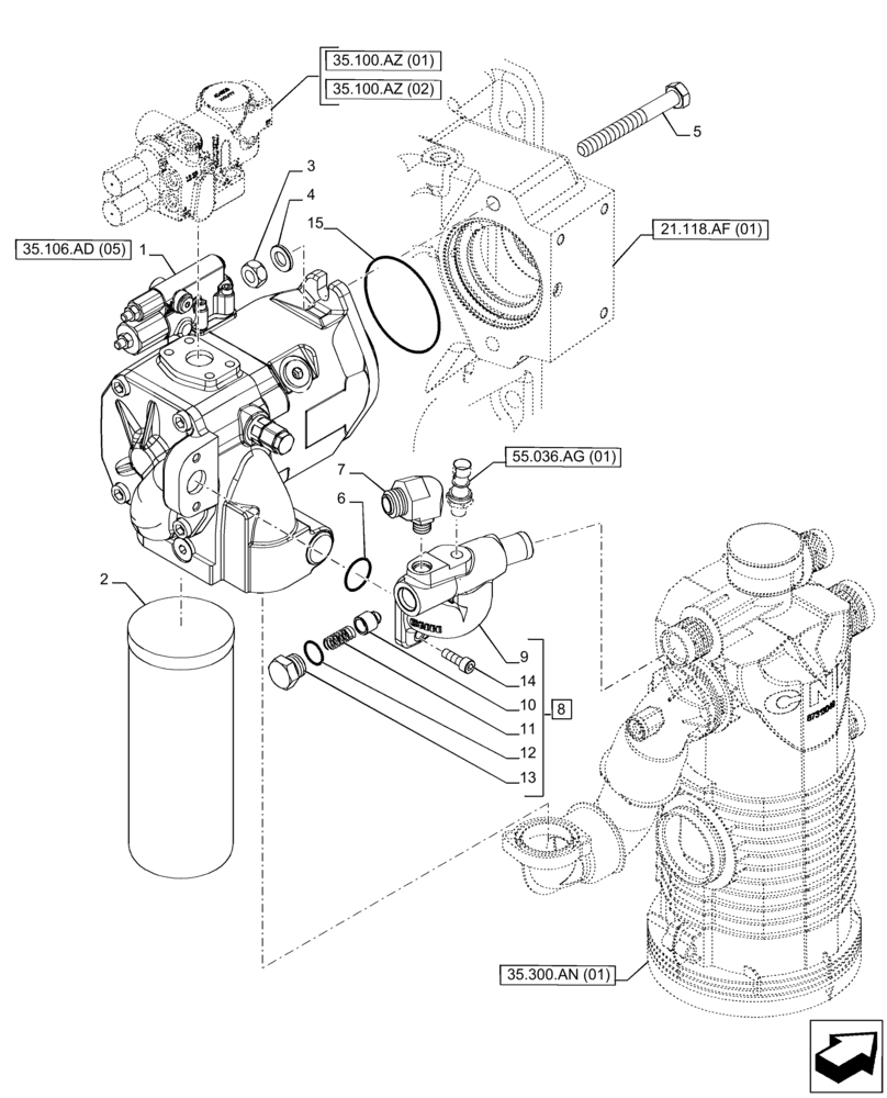
Запчасти Case IH PUMA 150 (35.106.AD[01]) - VAR - 391155, 758037, 758038, 758039, 758040, 758041, 758042, 758043, 758044 - HYDRAULIC PUMP (45CC CCLS), POWERSHIFT (35) - HYDRAULIC SYSTEMS

Схема запчастей Case IH PUMA 150 - (35.106.AD[01]) - VAR - 391155, 758037, 758038, 758039, 758040, 758041, 758042, 758043, 758044 - HYDRAULIC PUMP (45CC CCLS), POWERSHIFT (35) - HYDRAULIC SYSTEMS
4
35.100.az (02)
35.300.an (01)
3
14
2
55.036.ag (01)
35.106.ad (05)
10
9
11
8
5
35.100.az (01)
21.118.af (01)
12
7
15
13
1
6
FIT
1:1
100%

Артикул

Название

Примечание

Количество

1

84471387

HYDRAULIC PUMP,45 CC

1шт.

1

84471387R

REMAN-HYD PUMP,45 CC

45 CC

1шт.

1

84471387C

CORE-HYDRAULIC PUMP,45 CC

Return Number

1шт.

2

84226258

HYDRAULIC OIL FILTER,94mm OD x 240mm L, 1" 3/8-12UNF

on CCLS Hydraulic Pump, 295.4mm

1шт.

3

12164021

NUT,Thick Hex, M14, 1.50mm Pitch, 11.00mm High, Cl 10, ZND

2шт.

4

10520121

WASHER

2шт.

5

15978124

BOLT,Hex, M14 x 1.5 x 120mm, Cl 8.8

2шт.

6

14463480

O-RING,28.17mm ID x 3.53mm Width

1шт.

7

84257552

ELBOW,90 Deg, 1-14 ORFS x M16 x 1.5 ORB

1шт.

8

47450765

HYDRAULIC MANIFOLD

ASSY, Incl 9 - 13

1шт.

9

NSS

NOT SOLD SEPARAT

Manifold, Incl in 8

1шт.

10

5169565

VALVE,By-Pass

1шт.

11

87722518

SPRING,12.5mm OD x 33.5mm L

1шт.

12

14438085

O-RING,19.3mm ID x 2.4mm

1шт.

13

47123781

PLUG,M22 x 1.5

1шт.

14

14306424

HEX SOC SCREW,M8 x 1.25 x 25mm, Cl 8.8, Full Thd

2шт.

15

9828498

O-RING,0.103" Thk x 3.987" ID, -155, Cl 5, 75 Duro

1шт.

Выбрано товаров: 17