Запчасти Case IH PUMA 150 (35.162.AG[05]) - VAR - 758088, 758089, 758090, 758092 - 3 POINT HITCH, FRONT, CYLINDER, LINE (35) - HYDRAULIC SYSTEMS

Схема запчастей Case IH PUMA 150 - (35.162.AG[05]) - VAR - 758088, 758089, 758090, 758092 - 3 POINT HITCH, FRONT, CYLINDER, LINE (35) - HYDRAULIC SYSTEMS
37.162.ae (02)
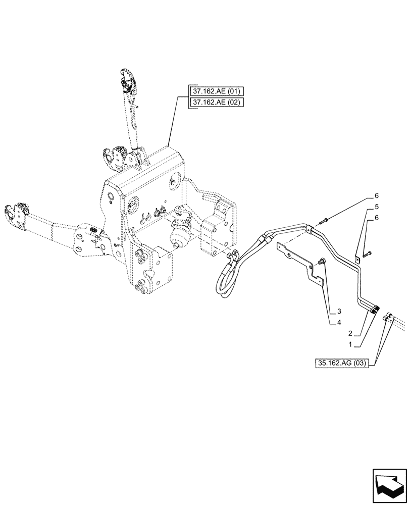
3
6
1
4
5
2
6
35.162.ag (03)
37.162.ae (01)
FIT
1:1
100%

Артикул

Название

Примечание

Количество

1

84599564

HYD TUBE

FHPL Raise

1шт.

2

84599567

HYD TUBE

FHPL Lower

1шт.

3

15861331

SCREW,Hex, M20 x 2.5 x 30mm, Cl 10.9, Full Thd

2шт.

4

84598065

BRACKET

1шт.

5

47057074

CLAMP,48.6mm x 30mm

1шт.

6

43129

BOLT,Hex, M8 x 1.25 x 40mm, LH Thd, Cl 8.8

2шт.

Выбрано товаров: 6