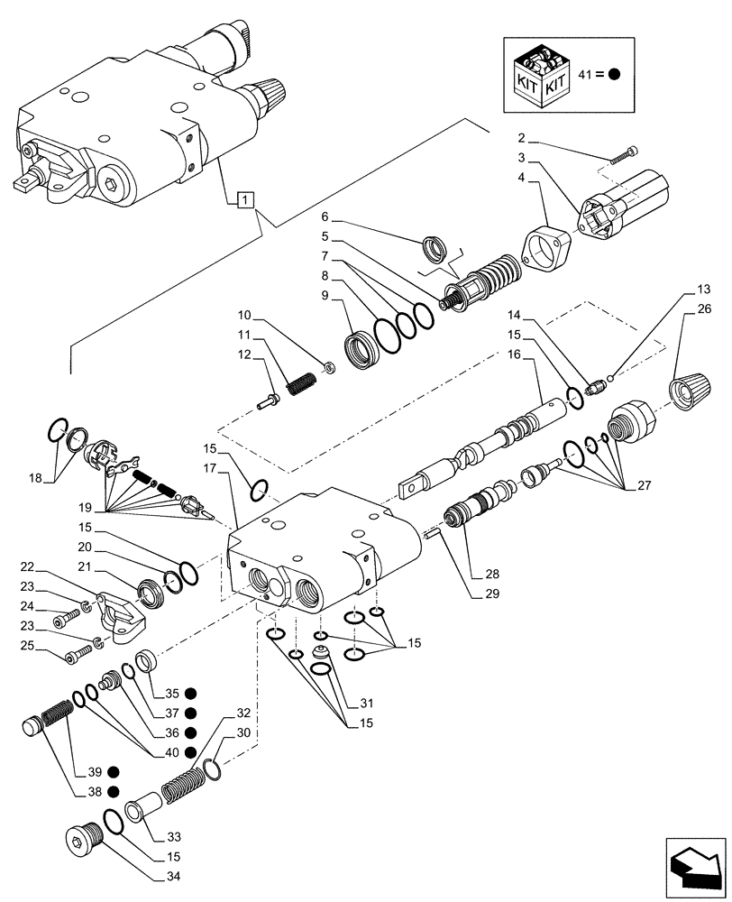
Запчасти Case IH PUMA 150 (35.204.BE[23]) - VAR - 391164, 758050, 758057, 758058 - CONTROL VALVE SECTION, COMPONENTS (35) - HYDRAULIC SYSTEMS

Схема запчастей Case IH PUMA 150 - (35.204.BE[23]) - VAR - 391164, 758050, 758057, 758058 - CONTROL VALVE SECTION, COMPONENTS (35) - HYDRAULIC SYSTEMS
22
27
7
31
1
15
15
41
5
11
28
30
33
26
15
19
12
41
14
32
41
15
41
39
15
20
2
41
29
4
3
36
41
8
25
6
18
41
16
10
40
23
41
37
13
15
38
17
24
9
34
23
21
35
FIT
1:1
100%

Артикул

Название

Примечание

Количество

1

87546169

CONTROL VALVE

ASSY, Incl 2 - 41

1шт.

1

87546169R

REMAN-HYD VALVE

1шт.

1

87546169C

CORE-VALVE HYD

Return Number

1шт.

2

87666210

HEX SOC SCREW,M6 x 30mm

2шт.

3

5191784

CAP

1шт.

4

87531903

RING

1шт.

5

87731184

SPRING

1шт.

6

87384898

SERVICE KIT

1шт.

7

NSS

NOT SOLD SEPARAT

O-Ring, Incl in 1

2шт.

8

NSS

NOT SOLD SEPARAT

O-Ring, Incl in 1

1шт.

9

87531921

SPACER

1шт.

10

NSS

NOT SOLD SEPARAT

Shim, Incl in 1

1шт.

11

NSS

NOT SOLD SEPARAT

Spring, Incl in 1

1шт.

12

NSS

NOT SOLD SEPARAT

Seat, Incl in 1

1шт.

13

47129462

BALL

1шт.

14

NSS

NOT SOLD SEPARAT

Valve, Incl in 1

1шт.

15

87661337

KIT

Seals

1шт.

16

NSS

NOT SOLD SEPARAT

Spool, Incl in 1

1шт.

17

NSS

NOT SOLD SEPARAT

Housing, Incl in 1

1шт.

18

84125422

SEAL KIT

Seals

1шт.

19

5191720

REPAIR KIT

1шт.

20

47129452

DISC

1шт.

21

NSS

NOT SOLD SEPARAT

Ring, Incl in 1

1шт.

22

47129458

SUPPORT

Support

1шт.

23

5191783

SPRING WASHER

6

2шт.

24

14305721

SERRATED SCREW,M6 x 14mm, Cl 8.8

1шт.

25

14433121

HEX SOC SCREW,M6 x18mm, Cl 8.8, Full Thd

1шт.

26

87319988

KNOB

1шт.

27

47130767

KIT

1шт.

28

NSS

NOT SOLD SEPARAT

Spool, Incl in 1

1шт.

29

NSS

NOT SOLD SEPARAT

Pin, Incl in 1

1шт.

30

47129463

RETAINER

1шт.

31

47127006

VALVE

1шт.

32

84124585

SPRING

1шт.

33

NSS

NOT SOLD SEPARAT

Pin, Incl in 1

1шт.

34

47129438

PLUG

1шт.

35

5191775

PLUG

1шт.

36

NSS

NOT SOLD SEPARAT

Ring, Incl in 1

1шт.

37

NSS

NOT SOLD SEPARAT

Seat, Incl in 1

1шт.

38

NSS

NOT SOLD SEPARAT

Cap, Incl in 1

1шт.

39

NSS

NOT SOLD SEPARAT

Spring, Incl in 1

1шт.

40

NSS

NOT SOLD SEPARAT

O-Ring, Incl in 1

1шт.

41

87666211

SERVICE KIT

1шт.

Выбрано товаров: 43