Запчасти Case IH PUMA 150 (35.322.AD[04]) - VAR - 758016, 758017, 758018, 758019, 758020, 758021 - LOW PRESSURE, MANIFOLD (35) - HYDRAULIC SYSTEMS

Схема запчастей Case IH PUMA 150 - (35.322.AD[04]) - VAR - 758016, 758017, 758018, 758019, 758020, 758021 - LOW PRESSURE, MANIFOLD (35) - HYDRAULIC SYSTEMS
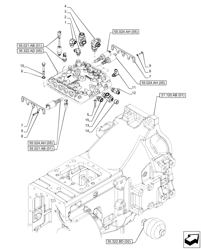
7
55.021.ab (01)
35.322.ad (05)
55.024.ah (05)
10
2
1
55.024.ah (05)
55.021.ab (01)
7
8
6
11
21.120.ab (01)
35.322.bd (02)
3
9
5
12
14
15
13
8
9
55.024.ah (05)
4
FIT
1:1
100%

Артикул

Название

Примечание

Количество

1

5185052

90 ELBOW,13/16"-16 x M18 x 1.5

1шт.

2

5194076

ELBOW,90 Deg, 11/16-16 ORFS x M16 x 1.5 ORB

1шт.

3

47448752

TEE,1"3/16-12 ORFS x 1"3/16-12 ORFS x M22 x 1.5 ORB

1шт.

4

87519151

HYD CONNECTOR,1"3/16-12 x M27 x 2 x 1"14

1шт.

5

14306721

HEX SOC SCREW,M8 x 48mm, Cl 8.8

1шт.

6

14437685

O-RING,9.30mm ID x 2.40mm

4шт.

7

87319491

FIXING PLATE

2шт.

8

11197779

BELLEVILLE WASHER,M6 Bolt Size x 12mm OD x 1.2mm Thk

8шт.

9

14433121

HEX SOC SCREW,M6 x18mm, Cl 8.8, Full Thd

8шт.

10

47126246

BOLT,Hex, M10 x 1.25 x 78mm, Spcl

4шт.

11

5188442

HYD CONNECTOR,11/16-16 ORFS x M14 x 1.5 ORB

1шт.

12

87336785

HYD CONNECTOR,11/16"-16 ORFS x 11/16"-16 ORFS x M16 x 1.5 ORB

1шт.

13

87519159

HYD CONNECTOR,1"-14 x M22 x 1.5 x 1"-14

1шт.

14

47136652

PLUG,11/16"-16 ORFS

1шт.

15

5185046

HYD CONNECTOR,1-14 ORFS x M18 x 1.5 ORB

1шт.

Выбрано товаров: 15