Запчасти Case IH PUMA 150 (35.322.AY[02]) - VAR - 391136, 758011, 758012, 758013, 758014, 758015 - TRANSMISSION, LOW PRESSURE, LINE (35) - HYDRAULIC SYSTEMS

Схема запчастей Case IH PUMA 150 - (35.322.AY[02]) - VAR - 391136, 758011, 758012, 758013, 758014, 758015 - TRANSMISSION, LOW PRESSURE, LINE (35) - HYDRAULIC SYSTEMS
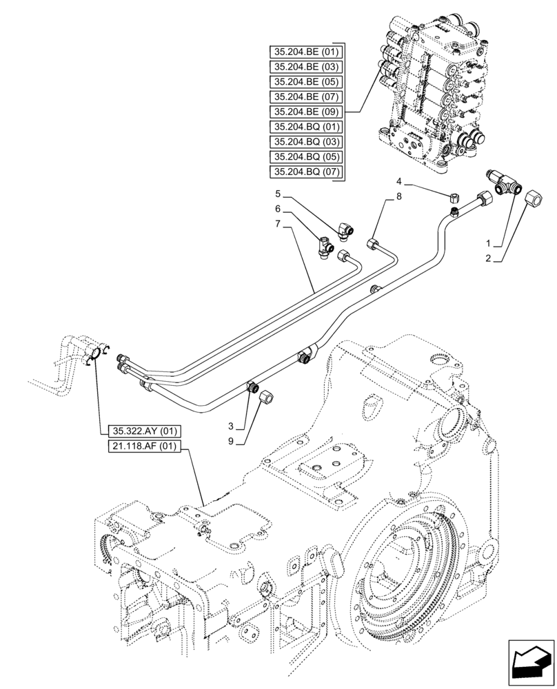
7
6
35.204.bq (03)
35.204.bq (01)
21.118.af (01)
1
35.204.be (03)
35.204.be (01)
35.322.ay (01)
35.204.bq (07)
35.204.be (05)
5
2
9
35.204.be (09)
8
35.204.be (07)
35.204.bq (05)
4
3
FIT
1:1
100%

Артикул

Название

Примечание

Количество

1

87571078

HYD CONNECTOR,1"-14 x 1"-14 x M18 x 1.5

1шт.

2

9840576

CAP,1" - 14 ORFS

1шт.

3

87660983

PIPE

Remote Valve

1шт.

4

87668376

CAP,9/16"-18 Inch THD

1шт.

5

5194076

ELBOW,90 Deg, 11/16-16 ORFS x M16 x 1.5 ORB

1шт.

6

87690352

HYD CONNECTOR,11/16"-16 x M16 x 1.5 x M14 x 1.5

1шт.

7

87519209

PIPE

Rear PTO Clutch

1шт.

8

87519196

PIPE

PTO Brake

1шт.

9

47123020

PLUG,Hex

1шт.

Выбрано товаров: 9