Запчасти Case IH PUMA 150 (35.322.AY[06]) - VAR - 758016, 758017, 758018, 758019, 758020, 758021 - TRANSMISSION, LOW PRESSURE, LINE (35) - HYDRAULIC SYSTEMS

Схема запчастей Case IH PUMA 150 - (35.322.AY[06]) - VAR - 758016, 758017, 758018, 758019, 758020, 758021 - TRANSMISSION, LOW PRESSURE, LINE (35) - HYDRAULIC SYSTEMS
7
5
35.322.ad (04)
3
1
4
21.118.af (01)
2
6
21.120.ab (01)
FIT
1:1
100%

Артикул

Название

Примечание

Количество

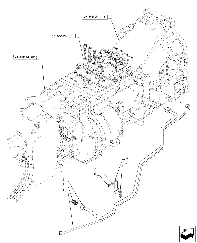
1

47703221

PIPE

Rear Differential Lock

1шт.

2

47703231

PIPE

4WD Clutch

1шт.

3

5185046

HYD CONNECTOR,1-14 ORFS x M18 x 1.5 ORB

1шт.

4

13001690

HOSE CLAMP,Worm Gear, 30mm/45mm x 9mm W, CST, ZND

1шт.

5

87519170

BRACKET

1шт.

6

86625000

BOLT,Hex, M8 x 18mm, Cl 8.8, Full Thd

1шт.

7

14496521

WASHER,8.4mm ID x 17mm OD x 1.6mm Thk

1шт.

Выбрано товаров: 7