Запчасти Case IH PUMA 150 (37.000.00[05]) - SECTION INDEX - HITCHES, DRAWBARS AND IMPLEMENT COUPLINGS (37) - HITCHES, DRAWBARS & IMPLEMENT COUPLINGS

Схема запчастей Case IH PUMA 150 - (37.000.00[05]) - SECTION INDEX - HITCHES, DRAWBARS AND IMPLEMENT COUPLINGS (37) - HITCHES, DRAWBARS & IMPLEMENT COUPLINGS
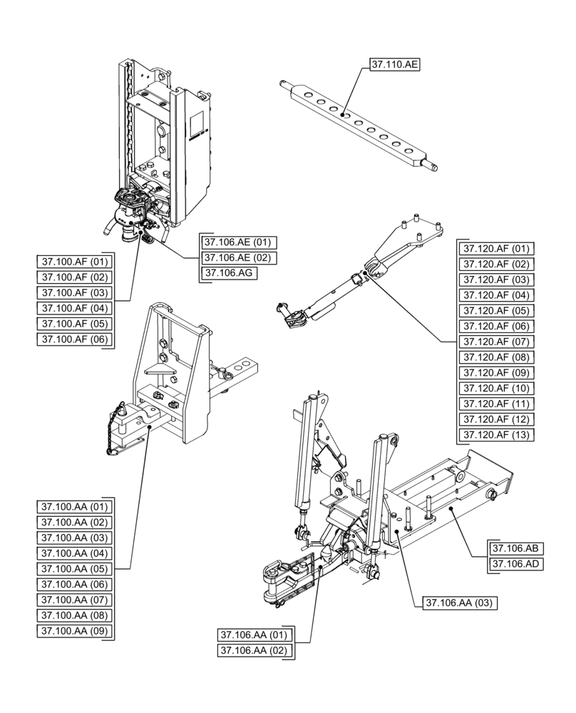
37.120.af (02)
37.106.ae (02)
37.100.af (05)
37.100.aa (05)
37.106.aa (03)
37.120.af (04)
37.100.af (02)
37.106.ad
37.100.aa (03)
37.100.af (01)
37.120.af (08)
37.100.aa (04)
37.106.aa (01)
37.110.ae
37.106.ag
37.106.aa (02)
37.100.aa (01)
37.100.aa (09)
37.100.af (06)
37.120.af (06)
37.120.af (13)
37.120.af (09)
37.120.af (12)
37.120.af (07)
37.106.ae (01)
37.100.aa (02)
37.120.af (10)
37.100.aa (06)
37.120.af (05)
37.120.af (03)
37.100.aa (08)
37.120.af (11)
37.120.af (01)
37.100.aa (07)
37.106.ab
37.100.af (03)
37.100.af (04)
FIT
1:1
100%