Запчасти Case IH PUMA 150 (55.048.AI[02]) - VAR - 758031 - PTO, SENSOR, SPEED (55) - ELECTRICAL SYSTEMS

Схема запчастей Case IH PUMA 150 - (55.048.AI[02]) - VAR - 758031 - PTO, SENSOR, SPEED (55) - ELECTRICAL SYSTEMS
3
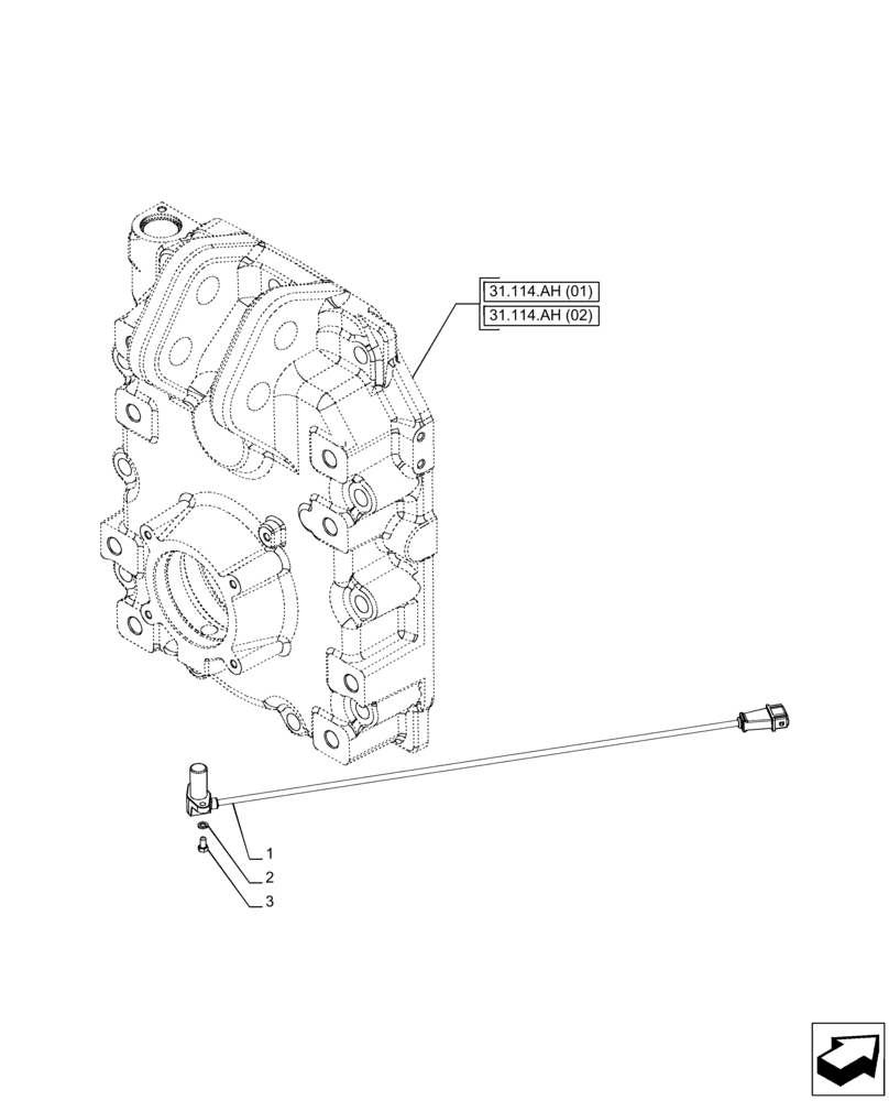
31.114.ah (01)
2
1
31.114.ah (02)
FIT
1:1
100%

Артикул

Название

Примечание

Количество

1

84555913

SENSOR

PTO Speed

1шт.

2

10571474

LOCK WASHER,5.10mm ID x 9.20mm OD x 1.20mm, C72, DAC

2шт.

3

10977724

BOLT,M5 x 14.00mm, Cl 8.8, DAC

2шт.

Выбрано товаров: 3