Запчасти Case IH PUMA 150 (55.302.AI[01]) - VAR - 391130, 758000 - BATTERY ISOLATOR (55) - ELECTRICAL SYSTEMS

Схема запчастей Case IH PUMA 150 - (55.302.AI[01]) - VAR - 391130, 758000 - BATTERY ISOLATOR (55) - ELECTRICAL SYSTEMS
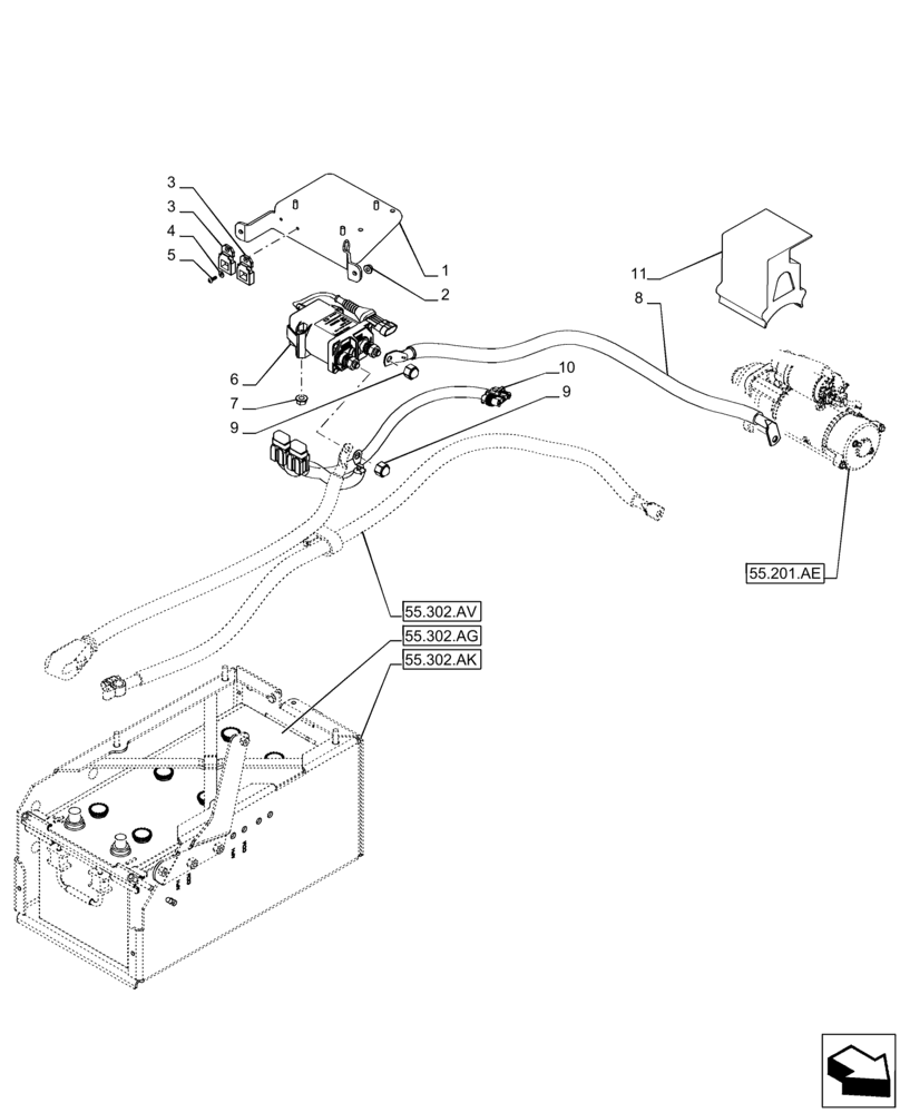
6
55.201.ae
11
3
9
1
5
55.302.ak
8
55.302.ag
2
9
4
55.302.av
3
10
7
FIT
1:1
100%

Артикул

Название

Примечание

Количество

1

47588841

BRACKET

Battery Isolator

1шт.

2

9804276

FLANGE NUT,Hex, M6 x 1, Cl 8

2шт.

3

47588814

FUSE HOLDER

2шт.

4

13550001

WASHER,4.15mm ID x 10mm OD x 0.8mm Thk

4.15 x 10 x 0.8

2шт.

5

87682417

SCREW,BTN HD, M4 x 12mm, Cl 8.8

M4 x 12

2шт.

6

84576869

RELAY,12V, 250A

12V, 300A

1шт.

7

9804277

FLANGE NUT,Hex, M8 x 1.25, Cl 8

2шт.

8

47586955

WIRE HARNESS

Motor Starter

1шт.

9

82012814

CAP,M10

2шт.

10

47579342

WIRE HARNESS

Kam

1шт.

11

82039109

COVER

1шт.

Выбрано товаров: 11