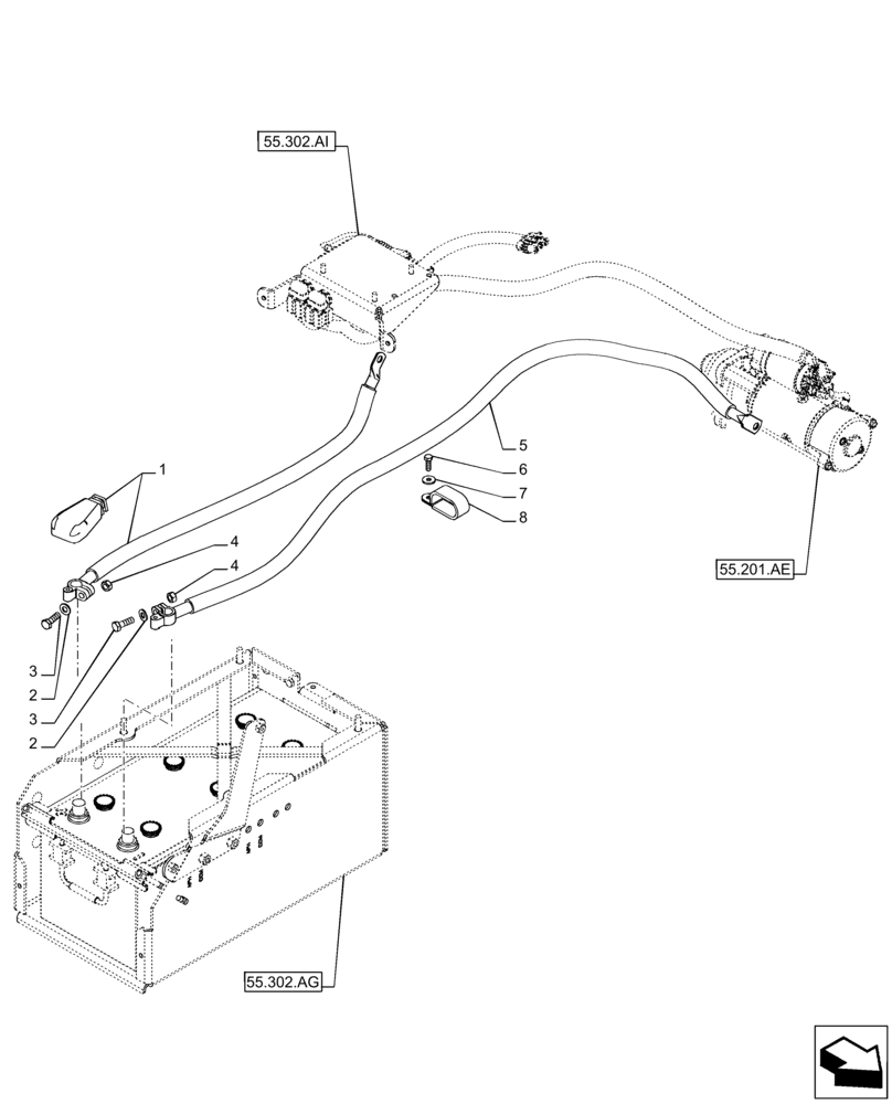
Запчасти Case IH PUMA 150 (55.302.AV) - VAR - 391130, 758000 - BATTERY CABLES (55) - ELECTRICAL SYSTEMS

Схема запчастей Case IH PUMA 150 - (55.302.AV) - VAR - 391130, 758000 - BATTERY CABLES (55) - ELECTRICAL SYSTEMS
2
55.302.ag
5
7
2
4
3
55.302.ai
55.201.ae
6
3
4
8
1
FIT
1:1
100%

Артикул

Название

Примечание

Количество

1

47586949

WIRE HARNESS

Positive Battery

1шт.

2

14496501

WASHER,8.4mm ID x 17mm OD x 1.6mm Thk

2шт.

3

43234

BOLT,Hex, M8 x 1.25 x 25mm, Cl 10.9, Full Thd

2шт.

4

43362

NUT,M8 x 1.25, Cl 10

2шт.

5

87487740

NEG BATTERY CABLE,1250mm L

1шт.

6

10902424

SCREW,Hex, M6 x 20mm, Cl 8.8, Full Thd

1шт.

7

10523401

WASHER,6.15mm ID x 18mm OD x 2mm Thk

1шт.

8

82023568

CLAMP,2 Hoses

Water Hose

1шт.

Выбрано товаров: 8