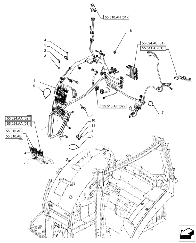
Запчасти Case IH PUMA 150 (55.510.AF[01]) - VAR - 332722, 332723, 392114, 392115 - CAB MAIN WIRE HARNESS (55) - ELECTRICAL SYSTEMS

Схема запчастей Case IH PUMA 150 - (55.510.AF[01]) - VAR - 332722, 332723, 392114, 392115 - CAB MAIN WIRE HARNESS (55) - ELECTRICAL SYSTEMS
8
1
55.015.ab
6
11
55.511.ai (01)
55.024.aa (01)
55.510.ah (01)
4
10
55.024.ae (01)
55.024.aa (02)
9
9
2
4
7
3
55.510.ab
55.510.af (02)
5
FIT
1:1
100%

Артикул

Название

Примечание

Количество

1

47662232

WIRE HARNESS

Cab, Garu

1шт.

2

120098

BOLT,Hex, M5 x 20, 8.8, Full Thd

2шт.

3

15896411

NUT,Hex, M5, 4.70mm High, Cl 8

2шт.

4

9706690

NUT,M8 x 1.25, Cl 8

3шт.

5

10450990

CLAMP,26mm, Coat, 9mm Bolt Hole, P Type

1шт.

6

82033028

CABLE TIE,170mm L

1шт.

7

82001040

CABLE TIE,.19" x 11.5"

2шт.

8

82013031

CABLE TIE,193mm L

3шт.

9

82001041

CABLE TIE,0.190" x 7.00" / 200 mm L

2шт.

10

9706748

CLAMP,15.9mm, Coat, 8.7mm Bolt Hole, P Type

1шт.

11

14496501

WASHER,8.4mm ID x 17mm OD x 1.6mm Thk

1шт.

Выбрано товаров: 11