Запчасти Case IH PUMA 150 (55.512.AH) - VAR - 391179, 758139, 758140, 758141, 758142, 758143, 758145, 758146 - ELECTRIC MIRROR, SWITCH (55) - ELECTRICAL SYSTEMS

Схема запчастей Case IH PUMA 150 - (55.512.AH) - VAR - 391179, 758139, 758140, 758141, 758142, 758143, 758145, 758146 - ELECTRIC MIRROR, SWITCH (55) - ELECTRICAL SYSTEMS
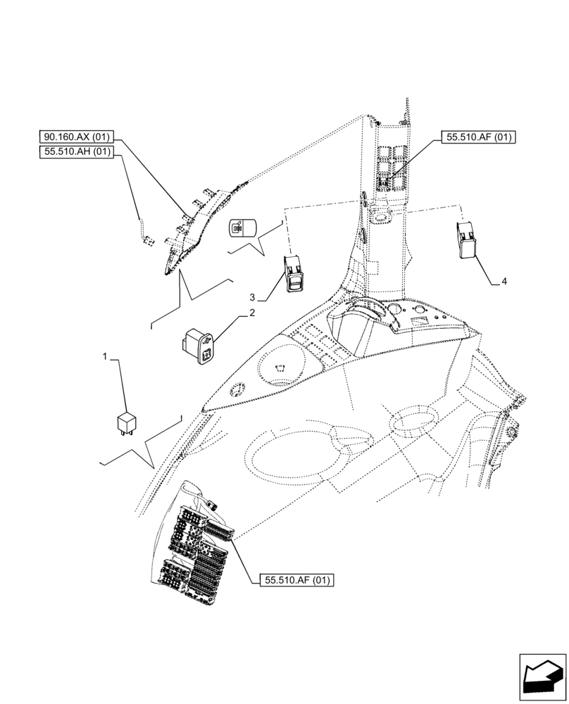
3
1
55.510.ah (01)
2
4
90.160.ax (01)
55.510.af (01)
55.510.af (01)
FIT
1:1
100%

Артикул

Название

Примечание

Количество

1

82038934

RELAY

Rear Mirror

1шт.

2

82037339

SWITCH ASSY

Rear Mirror

1шт.

3

87573650

SWITCH ASSY

Rocker Mirror

1шт.

4

82022763

PLUG

Less Mirror

1шт.

Выбрано товаров: 4