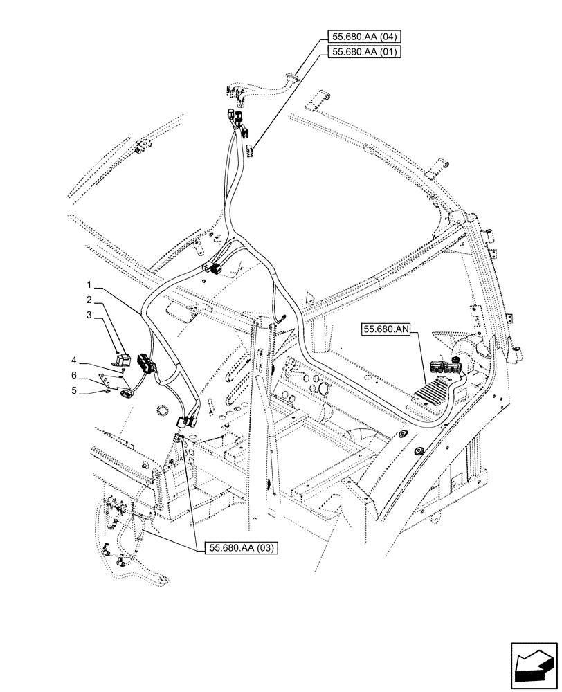
Запчасти Case IH PUMA 150 (55.680.AA[01]) - VAR - 758272, 758273 - CAB, HARNESS, AUTOGUIDANCE SYSTEM (55) - ELECTRICAL SYSTEMS

Схема запчастей Case IH PUMA 150 - (55.680.AA[01]) - VAR - 758272, 758273 - CAB, HARNESS, AUTOGUIDANCE SYSTEM (55) - ELECTRICAL SYSTEMS
55.680.aa (01)
3
4
55.680.aa (04)
2
55.680.aa (03)
55.680.an
1
5
6
FIT
1:1
100%

Артикул

Название

Примечание

Количество

1

47579410

WIRE HARNESS

Autoguidance

1шт.

2

82017871

RELAY,12V, 20A

Autoguidance

3шт.

3

15896211

NUT,M6, Cl 8

3шт.

4

10902124

SCREW,Hex, M6 x 14mm, Cl 8.8

2шт.

5

14371771

SPRING NUT,M6, U, 24.3mm long

2шт.

6

87744795

SUPPORT

1шт.

Выбрано товаров: 6